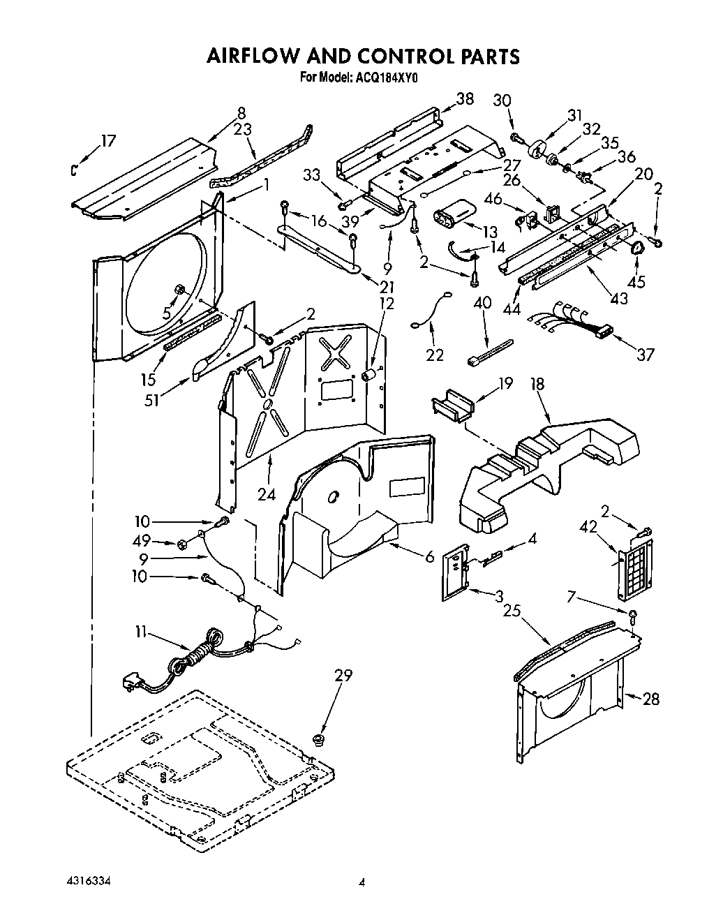
ACQ184XY0 03 – AIRFLOW AND CONTROLadmin2025-04-26T10:45:51+00:00ACQ184XY0 03 – AIRFLOW AND CONTROL
Products
| Position | Product |
|---|
| 1 | Shroud, Condenser |
| 2 | WP489069 Whirlpool Compactor Screw |
| 3 | Door, Exhaust |
| 4 | Spring, Door |
| 5 | WP488130 Whirlpool Air Conditioner Nut |
| 6 | Scroll (Lower) |
| 8 | Top, Condenser |
| 9 | Wire, Ground |
| 10 | Screw, 8 x 3/8 |
| 11 | Cord, Appliance |
| 12 | Grommet, Divider Wall |
| 13 | Capacitor, Running |
| 14 | Bracket, Capacitor |
| 15 | Seal, Condensate Cup |
| 16 | Screw, 8-18 x 3/8 |
| 17 | Clip, Shroud |
| 18 | Scroll, Upper |
| 19 | Raceway, Wiring |
| 20 | Panel, Control |
| 21 | Support, Unit (2) |
| 22 | Wire, Control |
| 23 | Seal, Shroud |
| 24 | Dividing Wall |
| 25 | Seal, Evaporator |
| 26 | Switch, Rotary |
| 27 | Wire, Thermostat To Switch |
| 28 | Shroud Assembly, Evaporator |
| 29 | Cup, Condensate Drain |
| 30 | Screw, 7-18 x 5/8 |
| 31 | Cam, Exhaust |
| 32 | Bushing, Shaft |
| 33 | Screw, 6-32 x .175 |
| 35 | Washer |
| 36 | Shaft, Control Exhaust |
| 37 | Harness, Wiring - Control Box |
| 38 | Control Box |
| 39 | Back Panel, Control Box |
| 40 | WPW10339879 Whirlpool Wire Tie |
| 42 | Impeller Guard (2) |
| 43 | Escutcheon |
| 44 | WP854334 Whirlpool Air Conditioner Sealing Strip |
| 45 | Knob, Controls (4) |
| 46 | Control, Temperature |
| 49 | WP486255 Whirlpool Air Conditioner Nut |
| 51 | Cup, Condensate |