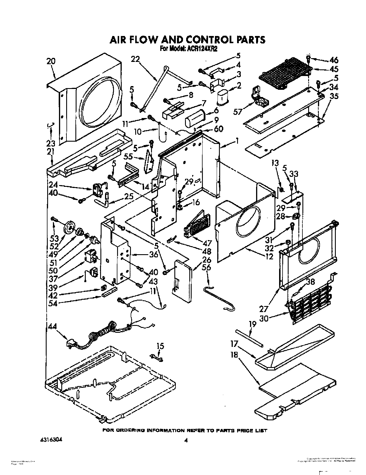
ACR124XR2 03 – AIR FLOW AND CONTROLadmin2025-04-26T10:47:36+00:00ACR124XR2 03 – AIR FLOW AND CONTROL
Products
| Position | Product |
|---|
| 1 | Wall, Dividing |
| 2 | Capacitor, Running |
| 3 | Bracket (Lower) |
| 4 | Bracket (Upper) |
| 5 | WP489069 Whirlpool Compactor Screw |
| 6 | Capacitor, Fan |
| 7 | Bracket, Fan Motor Capacitor |
| 9 | Ground Wire |
| 10 | Wire, Ground |
| 11 | WPW10141604 Whirlpool Screw |
| 12 | Housing, Blower Wheel |
| 13 | Fastener, snap (2) |
| 14 | Channel, Wiring |
| 15 | Clamp, Cable |
| 16 | Clip, Speed |
| 17 | Pan, Evaporator Condensate |
| 18 | Insulation, Condensate Pan |
| 19 | Tube, Condensate |
| 20 | Shroud, Condenser |
| 21 | Pan, Condensate |
| 22 | Support, Unit |
| 23 | Clip, Shroud (3) |
| 24 | Control, Outside Temperature |
| 25 | Sleeve, Insulator |
| 26 | Dividing Wall Assembly, L.S. |
| 27 | Deflector, Heat Assembly |
| 28 | Switch, Limit |
| 29 | Screw, 8 x 3/8 |
| 30 | Heater, Air |
| 31 | WP488234 Whirlpool Air Conditioner Screw |
| 32 | WP488826 Whirlpool Nut |
| 33 | Cover, Wire Enclosure |
| 34 | Cover, Evaporator |
| 35 | Insulation, Evaporator Cover |
| 36 | Box, Control Assembly |
| 37 | Switch, Rotary |
| 38 | Fuse, Heater |
| 39 | Control, Temperature |
| 40 | Screw, 6-32 x .175 |
| 42 | Grommet |
| 43 | Wire, Ground |
| 44 | Cable, Appliance |
| 45 | Guard, Evaporator Impeller |
| 46 | WP488729 Whirlpool Refrigerator Door Screw |
| 47 | Door, Exhaust |
| 48 | Spring, Door |
| 49 | Bushing, Shaft |
| 50 | Shaft, Control |
| 51 | Washer |
| 52 | Cam, Exhaust |
| 53 | Screw, 7-18 x 5/8 |
| 54 | WP854334 Whirlpool Air Conditioner Sealing Strip |
| 55 | Guide, Wire |
| 56 | Wire, C |
| 57 | WPL 90515 |