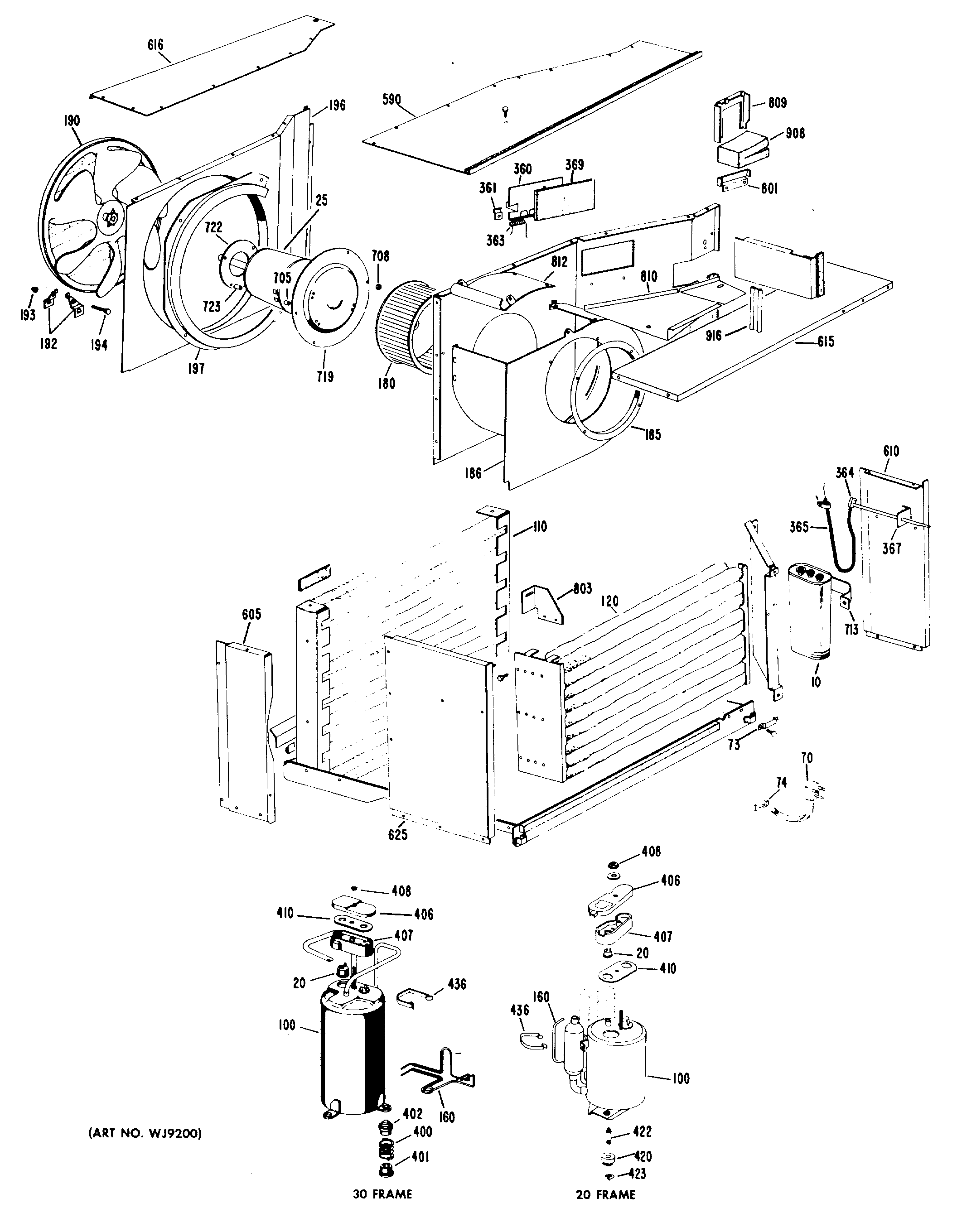
AD518BMG1 1admin2025-04-26T08:36:59+00:00AD518BMG1 1 ProductsPositionProduct32767ADD CAPACITOR IF REQD32767GEN WJ88X016432767GEN WJ98X029232767GEN WJ20X0381