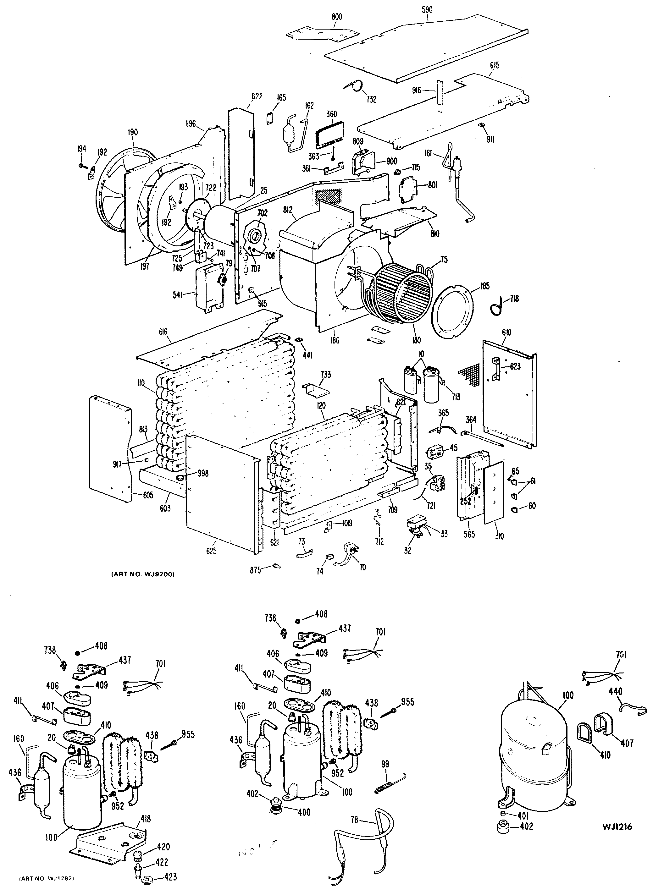
AD723DTX1 2admin2025-04-26T08:37:32+00:00AD723DTX1 2 ProductsPositionProduct10GEN WJ20X058510GEN WJ20X057825GEN WJ94X051232GEN WJ28X023033GEN WJ70X027335GEN WJ28X022945GEN WJ26X022760GEN WJ12X012861GEN WJ12X012965KNOB SPRING70GEN WJ35X009973CLAMP POWER CORD74GEN WJ01X0361160CAPILLARY .054 CUT TO 16160CAPILLARY.045 ID X 18.5"160CAPILLARY .042 CUT TO 15162UNKNOWN165GEN WJ56X0071165GEN WJ56X0063180GEN WJ74X0096185GEN WJ76X0220186GEN WJ76X0218190GEN WJ73X0147192GEN WJ03X0215193FAN NUT194FAN SCREW196GEN WJ76X0236197GEN WJ70X0126310GEN WJ07X0657360GEN WJ70X0283360GEN WJ70X0166361DAMPER DOOR HINGE CLAMP363GEN WJ02X0397364GEN WJ14X0097365GEN WJ14X0095401GEN WJ01X0519407UNKNOWN410UNKNOWN440UNKNOWN565GEN WJ79X0358590COVER ASM603GEN WJ89X0080610GEN WJ82X0143615GEN WJ79X0349616GEN WJ79X0396621GEN WJ81X0071622GEN WJ82X0150625GEN WJ82X0141701GEN WJ36X0019702GEN WJ43X0240702GEN WJ43X0351707GEN WJ01X0655708GEN WJ01X0445709SINK HEAT713GEN WJ03X0313713GEN WJ03X0230715GEN WJ02X0410721SLEEVE CAPILLARY THERM722GEN WJ66X0197723GEN WJ01X0518723GEN WJ01X0417725GEN WJ65X0323732WIRE STRAP733GEN WJ66X0379741GEN WZ06X0128800GEN WJ65X0321801PLATE809TUBE SEAL CLAMP810COVER EVAPORATOR812GEN WJ76X0216813GEN WJ70X0152900GEN WJ60X0019916SPACER917GEN WJ02X0263952SCREW 10-16 X 5/8" HEX998GEN WJ01X0402998PLUG 30FR HOLD DOWN BOLT1019CLIP CHASSIS TO CABINET