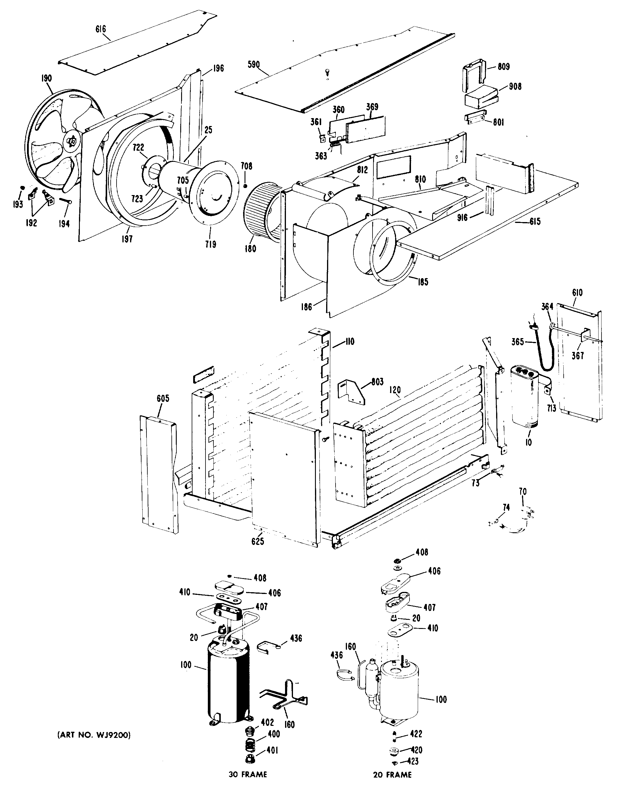
AD915DMY3 1admin2025-04-26T08:37:25+00:00AD915DMY3 1 ProductsPositionProduct20GEN WP23X003525GEN WJ94X051370GEN WJ35X010273CLAMP POWER CORD74GROMMET CORD POWER160CAPILLARY.045 ID X 18.5"160CAPILLARY .049 CUT-25"180GEN WJ74X0092185GEN WJ76X0222186GEN WJ76X0219190GEN WJ73X0043192GEN WJ03X0215193FAN NUT194FAN SCREW196GEN WJ76X0236197BAFFLE360GEN WJ70X0166360GEN WJ70X0283361DAMPER DOOR HINGE CLAMP363GEN WJ02X0397364GEN WJ14X0097365GEN WJ14X0095406TERMINAL CAP408GEN WJ01X0292410GEN WJ43X0333420GEN WJ01X0609422GEN WJ01X0608423GEN WJ02X0360436ACCUMULATOR CLAMP590COVER ASM615GEN WJ79X0347616GEN WJ79X0285708GEN WJ01X0445713GEN WJ03X0279713GEN WJ03X0294801PLATE809TUBE SEAL CLAMP810COVER EVAPORATOR812GEN WJ76X0217916SPACER