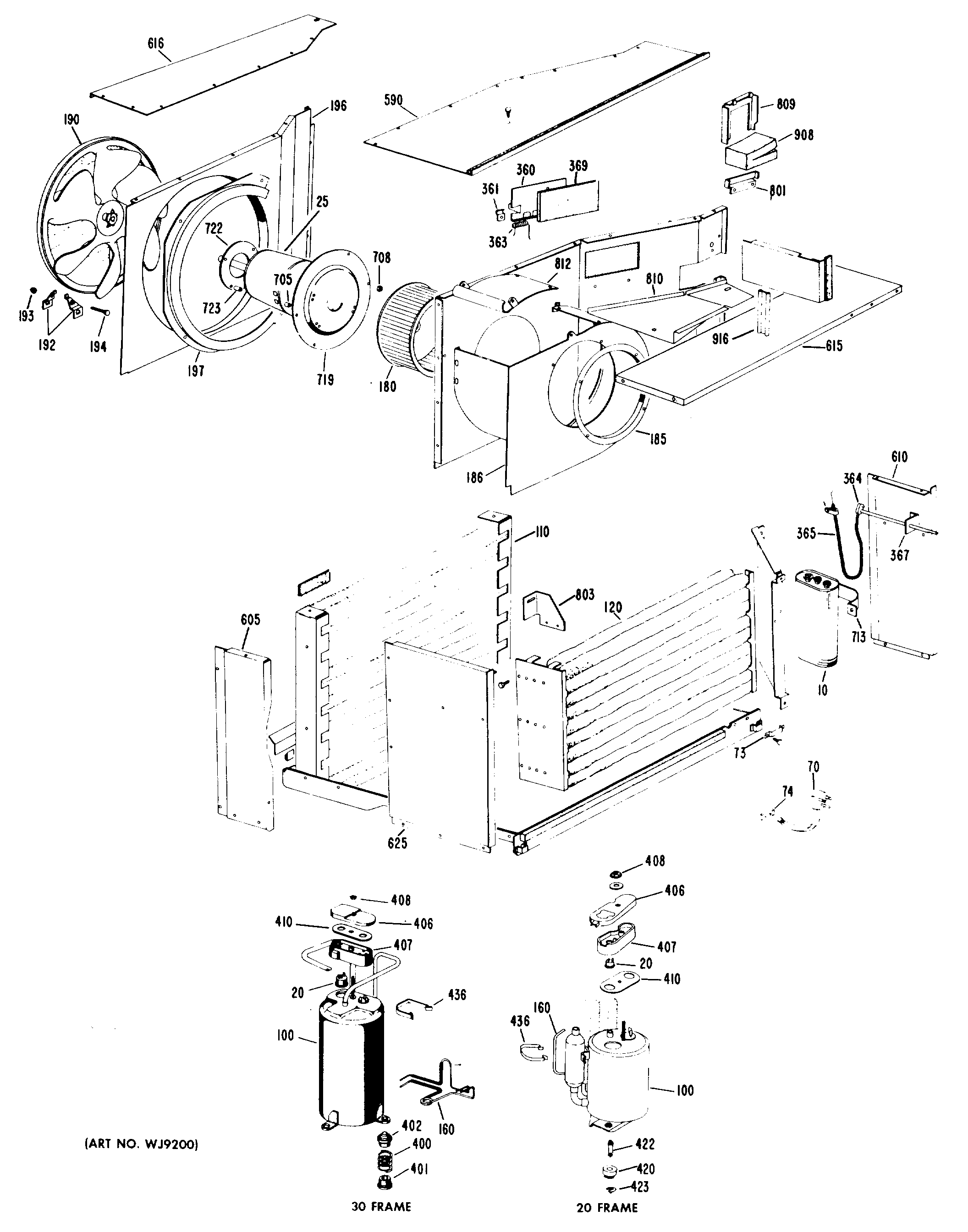
AD917W1G1 1admin2025-04-26T08:37:31+00:00AD917W1G1 1 ProductsPositionProduct10GEN WJ20X031910CAPACITOR, FAN20GEN WJ23X018025GEN WJ94X051525CAPACITOR FAN70GEN WJ35X010673CLAMP POWER CORD74GROMMET CORD POWER100GEN WJ98X0548110GEN WJ88X0175120GEN WJ87X0199160CAPILLARY .042 CUT TO 15160CAPILLARY.045 ID X 18.5"160CAPILLARY .054 CUT TO 16180INDOOR BLOWER186GEN WJ76X0231190GEN WJ73X0043192GEN WJ03X0215193FAN NUT194FAN SCREW196GEN WJ76X0236197GEN WJ70X0126360GEN WJ70X0166360GEN WJ70X0283361DAMPER DOOR HINGE CLAMP363GEN WJ02X0397364GEN WJ14X0097365GEN WJ14X0095400GEN WJ02X0258400GEN WJ02X0259400GEN WJ02X0257401GEN WJ01X0348402GEN WJ01X0347406GEN WJ79X0302407GEN WJ79X0301408GEN WJ01X0292410GEN WJ43X0333436ACCUMULATOR CLAMP590COVER ASM610GEN WJ81X0064615GEN WJ79X0349616GEN WJ79X0285625GEN WJ82X0064708GEN WJ01X0445713GEN WJ03X0279713GEN WJ03X0230722GEN WJ66X0197723GEN WJ01X0417801PLATE809TUBE SEAL CLAMP810COVER EVAPORATOR916SPACER