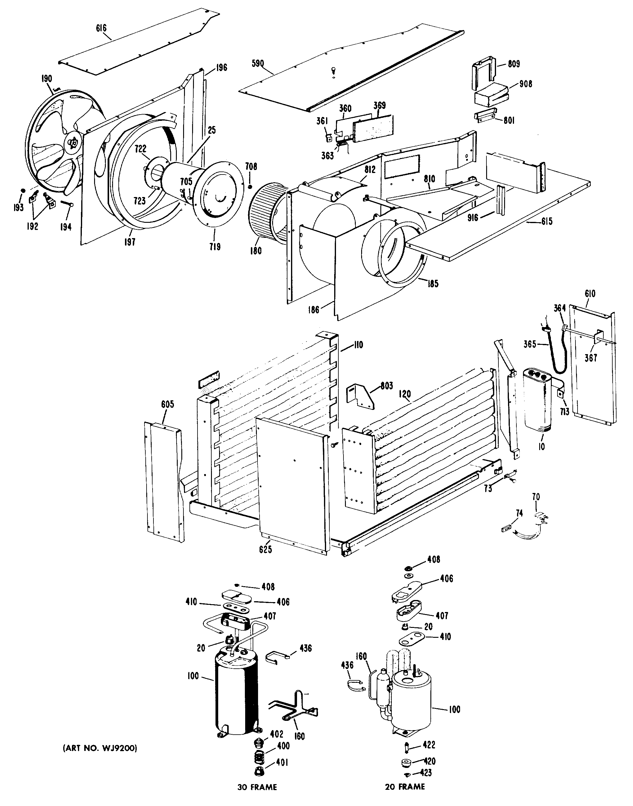
AD919DME3 1admin2025-04-26T08:37:24+00:00AD919DME3 1 ProductsPositionProduct10CAPACITOR, FAN/RUN20GEN WJ23X009325GEN WJ20X030225GEN WJ94X051270GEN WJ35X010273CLAMP POWER CORD74GROMMET CORD POWER100COMPRESSOR110GEN WJ88X0164120GEN WJ87X0202160CAPILLARY .049 CUT-25"160CAPILLARY .042 CUT TO 15160CAPILLARY .039 CUT TO 15180INDOOR BLOWER185INDOOR ORIFICE186GEN WJ76X0231190UNKNOWN196GEN WJ76X0236197GEN WJ70X0126360GEN WJ70X0283360GEN WJ70X0166361DAMPER DOOR HINGE CLAMP363GEN WJ02X0397364GEN WJ14X0097365GEN WJ14X0095400GEN WJ02X0257400GEN WJ02X0258400GEN WJ02X0259401GEN WJ01X0348402GEN WJ01X0347406GEN WJ79X0302407GEN WJ79X0301408GEN WJ01X0292410GEN WJ43X0333436ACCUMULATOR CLAMP590COVER ASM610GEN WJ81X0064615GEN WJ79X0349616GEN WJ79X0285625GEN WJ82X0064708GEN WJ01X0445713GEN WJ03X0230722GEN WJ66X0197723GEN WJ01X0417801PLATE809TUBE SEAL CLAMP810COVER EVAPORATOR916SPACER