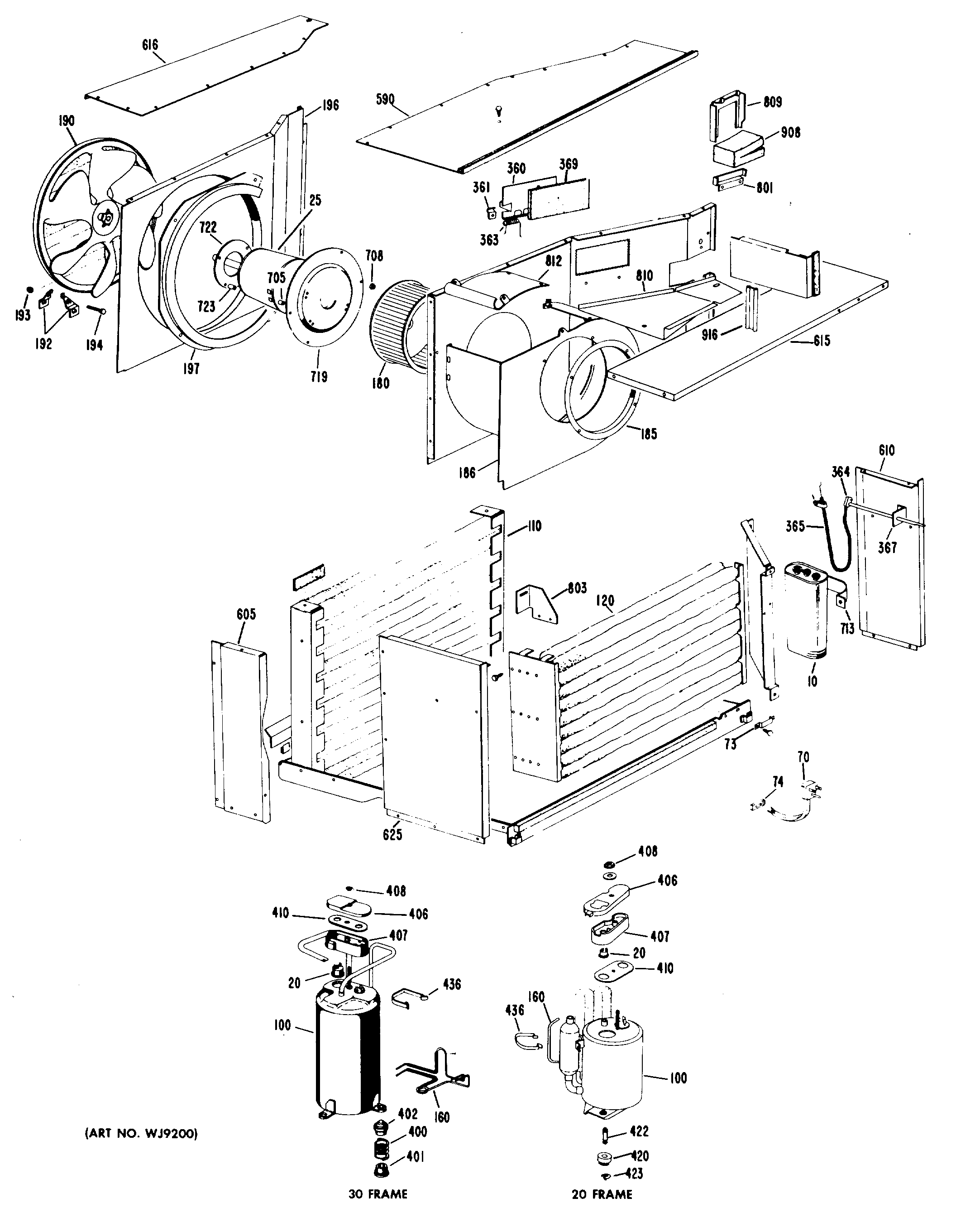
AD919DPE1 1admin2025-04-26T08:37:41+00:00AD919DPE1 1 ProductsPositionProduct32767GEN WJ98X026732767GEN WJ88X016432767GEN WJ20X030232767CAPACITOR, FAN/RUN