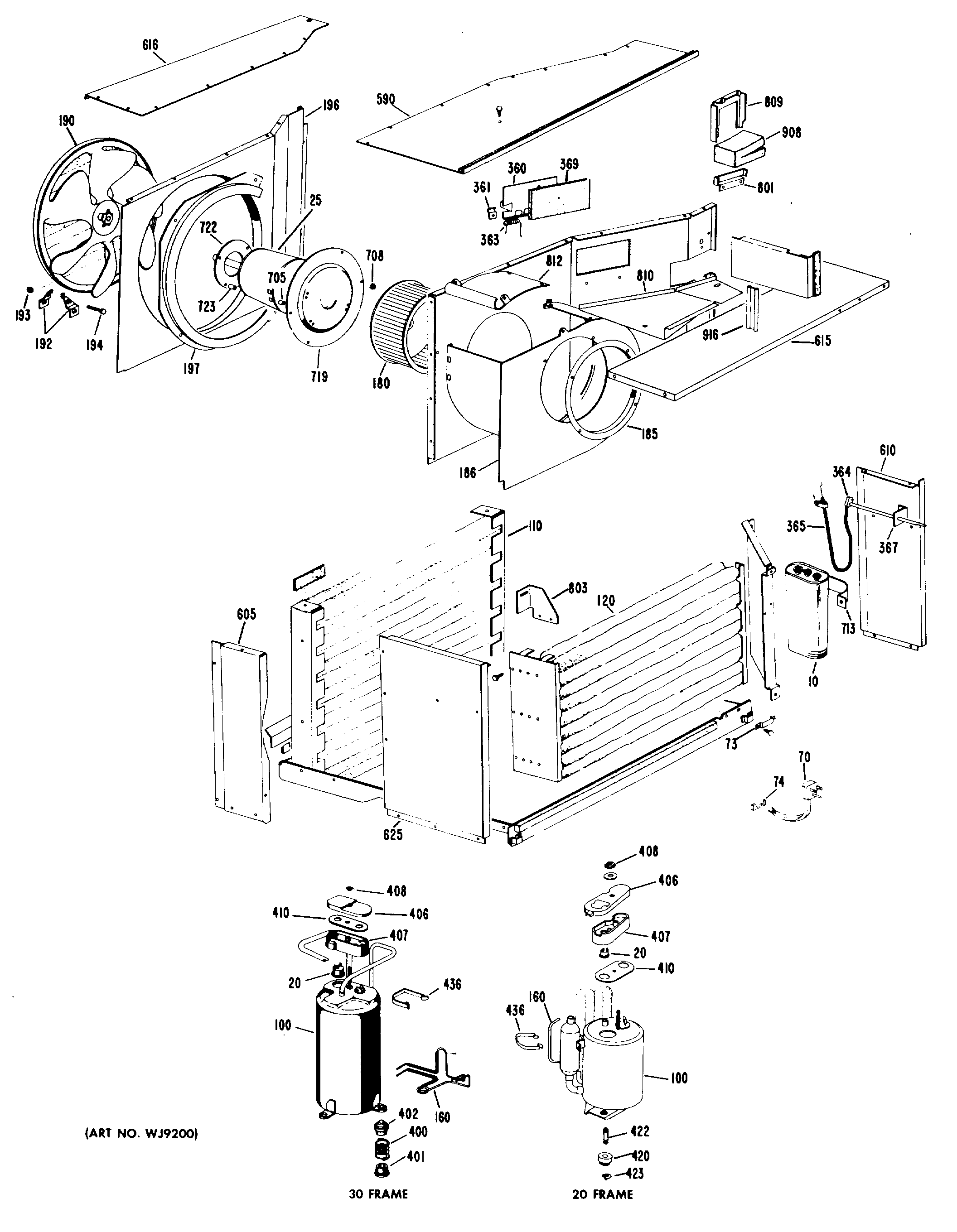
AD923BMF1 1