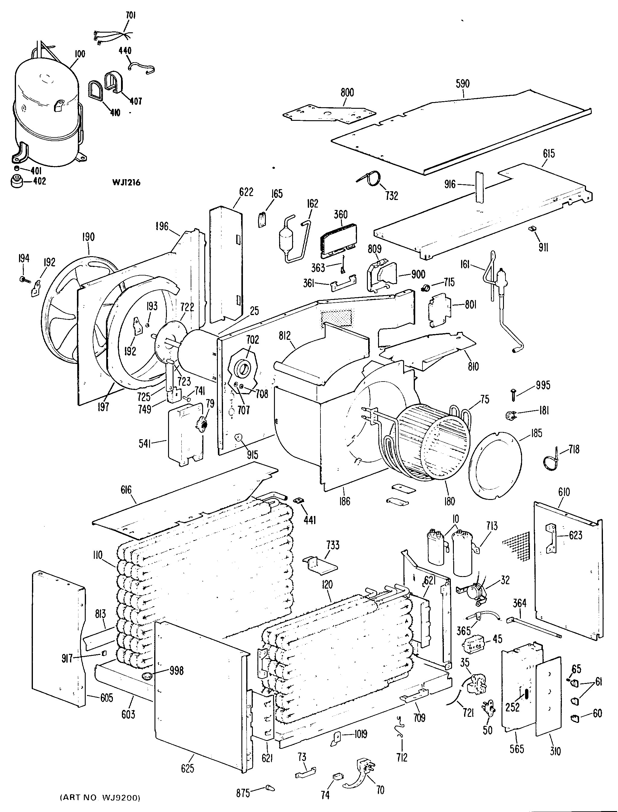
AD923DTX2 1admin2025-04-26T08:37:33+00:00AD923DTX2 1 ProductsPositionProduct10GEN WJ20X057910GEN WJ20X057525GEN WJ94X051232GEN WJ95X001935GEN WJ28X022945MAIN SWITCH 7 POS ROTARY50GEN WJ26X016760GEN WJ12X012861GEN WJ12X012965KNOB SPRING70GEN WJ35X009273CLAMP POWER CORD74GEN WJ01X0361161UNKNOWN162UNKNOWN165GEN WJ56X0064180INDOOR BLOWER181WH1X2036 GE UNIX Clamp186GEN WJ76X0231190UNKNOWN196GEN WJ76X0236197GEN WJ70X0126310GEN WJ07X0657360GEN WJ70X0283360GEN WJ70X0166361DAMPER DOOR HINGE CLAMP363GEN WJ02X0397364GEN WJ14X0097365GEN WJ14X0095401GEN WJ01X0519407UNKNOWN410UNKNOWN440UNKNOWN565GEN WJ79X0456590COVER ASM603GEN WJ89X0080610GEN WJ82X0143615GEN WJ79X0349622GEN WJ82X0150625GEN WJ82X0141701GEN WJ36X0019702GEN WJ43X0240702GEN WJ43X0351707GEN WJ01X0655708GEN WJ01X0445712GEN WJ02X0462713GEN WJ03X0230713GEN WJ03X0279715GEN WJ02X0410721SLEEVE CAPILLARY THERM722GEN WJ66X0197723GEN WJ01X0518723GEN WJ01X0417725GEN WJ65X0323732WIRE STRAP733GEN WJ66X0379741GEN WZ06X0128800GEN WJ65X0321801PLATE809TUBE SEAL CLAMP813GEN WJ70X0152900GEN WJ60X0020911GEN WJ02X0441916SPACER917GEN WJ02X0263998PLUG 30FR HOLD DOWN BOLT1019CLIP CHASSIS TO CABINET