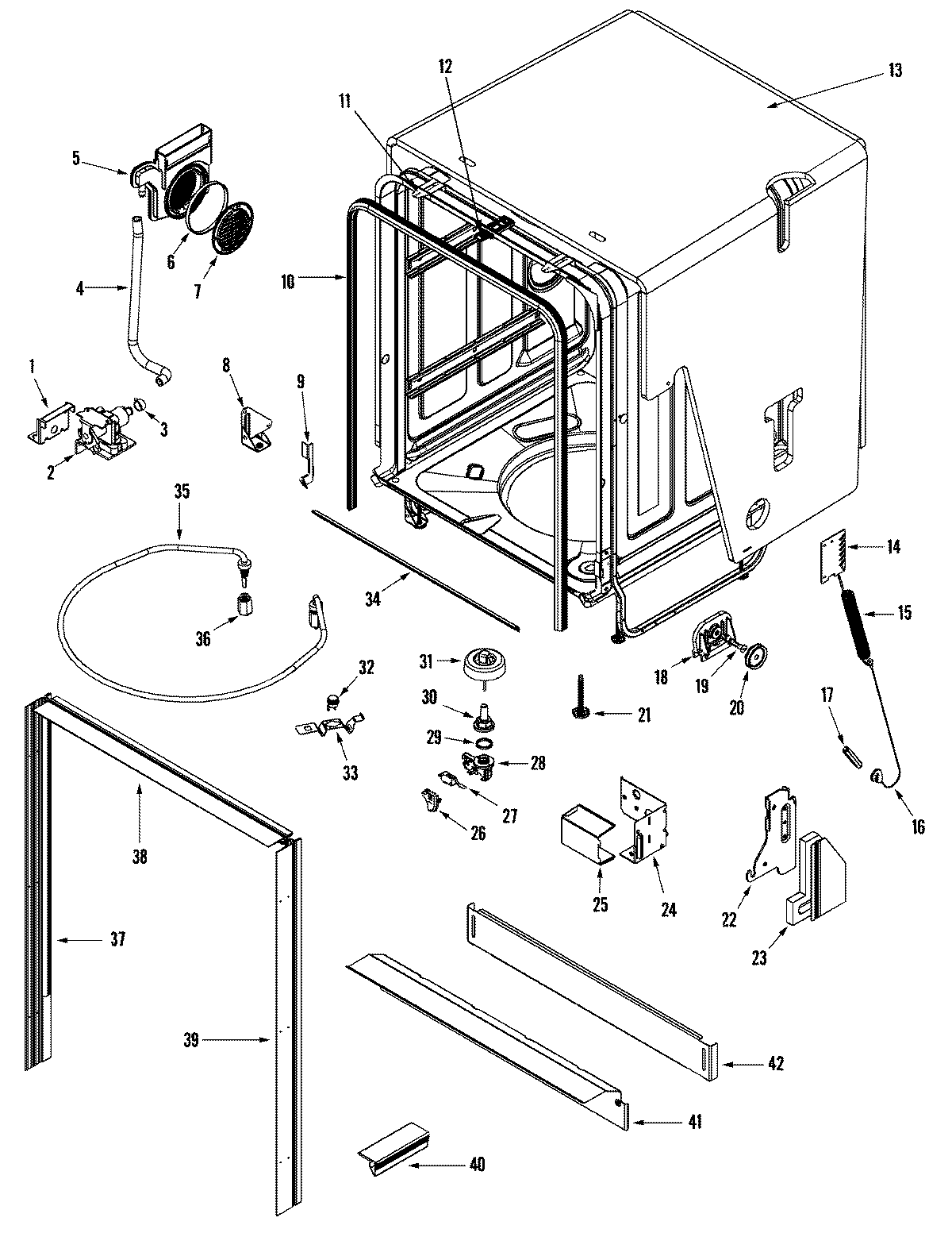
ADB3500AWQ 06 – TUB