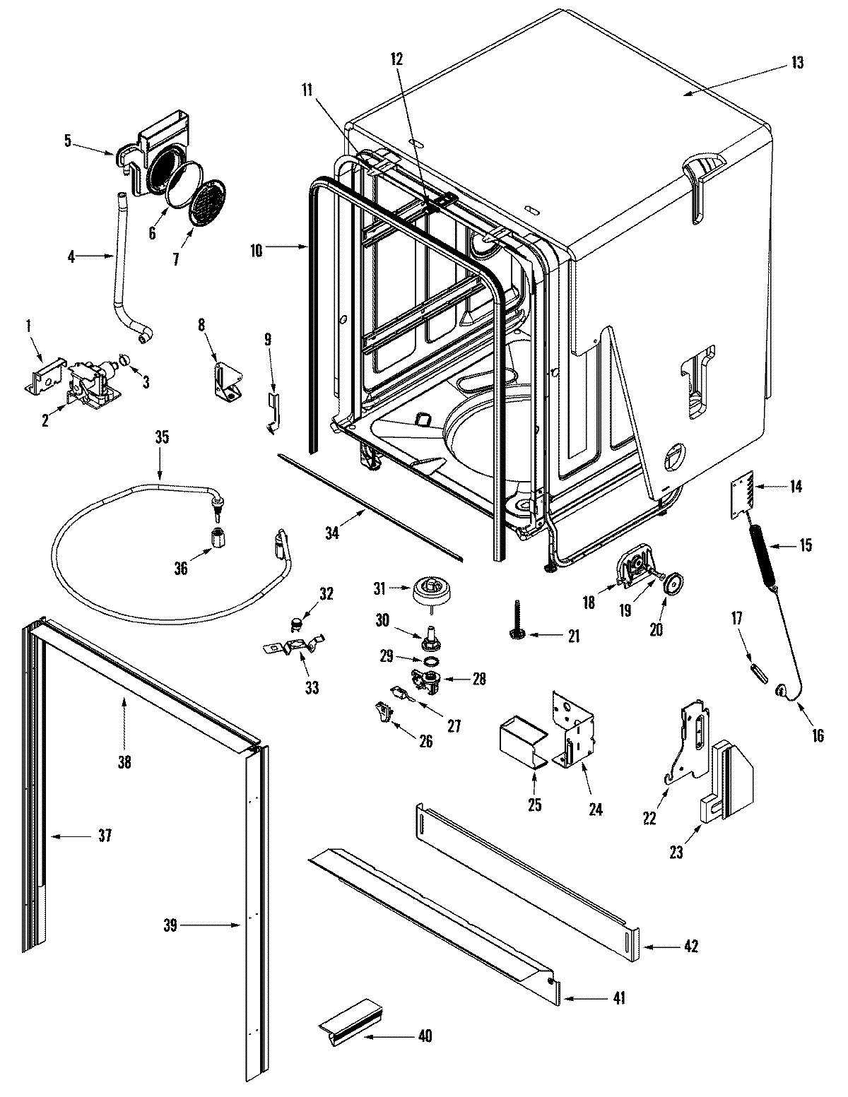
ADB3500AWW 06 – TUB