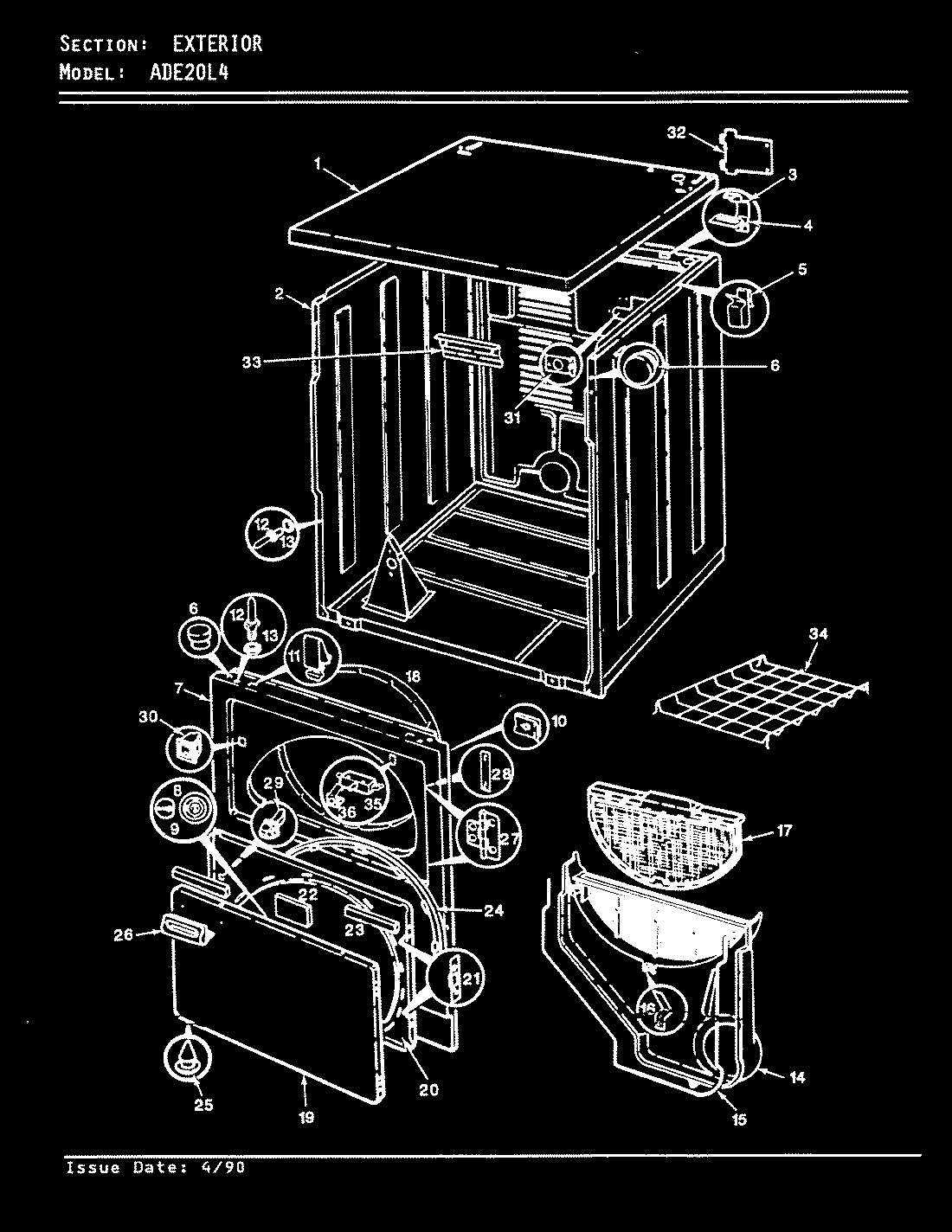
ADE20L4W 03 – EXTERIOR (REV. A-D)admin2025-04-26T11:36:52+00:00ADE20L4W 03 – EXTERIOR (REV. A-D) ProductsPositionProductNINOT REQUIRED PART OR SEE NOTE FUSE (NOT REQUIRED)1MAY 53-17111MAY 53-03142MAY 53-06673MAY 63-57124MAY 33-09304WP90767 Whirlpool Screw5MAY 25-30346MAY 33-26537MAY 53-072610WP489478 Whirlpool Refrigerator Screw10MAY 25-781711WP25-7220 Whirlpool Cabinet Clip12MAY 63-614813MAY 25-022413MAY 53-020014MAY 53-091715MAY 53-020416MAY 53-012317WP53-0701 Whirlpool Lint Screw18MAY 53-028219MAY 53-015420MAY 53-010421MAY 53-011922MAY 53-025123MAY 53-025224MAY 25-777024WP31001529 Whirlpool Door Seal25MAY 25-353426MAY 25-781026MAY 53-092827MAY 53-012228W10756178 Whirlpool Screw28MAY 53-012128LA-1003 Whirlpool Dryer Door Catch and Metal Strike29MAY 73-003330MAY 53-088231WP489483 Whirlpool Screw31MAY 53-013532MAY 53-013633MAY 25-345733MAY 53-013334MAY LA-100534MAY 53-077235MAY 53-014836MAY 63-5990