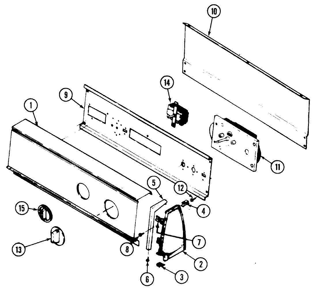
ADE25K3H 02 – CONTROL PANEL (REV. E)admin2025-04-26T11:55:02+00:00ADE25K3H 02 – CONTROL PANEL (REV. E) ProductsPositionProductNIMAY 53-1452-11MAY 53-18232MAY 35-24872MAY 25-76492MAY 25-76972MAY 35-24883MAY 25-78513MAY 25-76914MAY 25-78525MAY 53-02785MAY 53-02776MAY 25-77607MAY 25-77029MAY 53-16769MAY 53-250410MAY 35-268811MAY 63-674311MAY 53-181212MAY 25-743513MAY 53-153314WP90767 Whirlpool Screw14MAY 53-034415MAY 35-2185