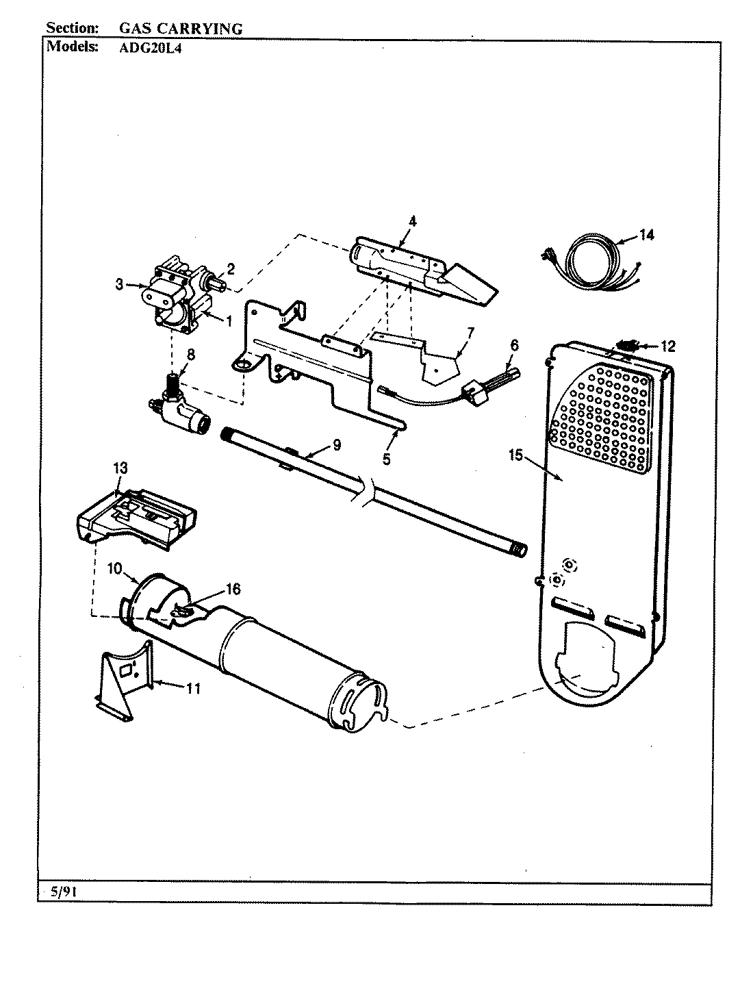
ADG20L4W 04 – GAS CARRYINGadmin2025-04-26T11:38:04+00:00ADG20L4W 04 – GAS CARRYING ProductsPositionProduct1MAY 53-01942MAY 63-35703MAY 63-66154MAY 63-66825MAY 53-01406WP31001556 Whirlpool Igniter7MAY 25-77447MAY 25-30347MAY 53-06868MAY 53-01019MAY 53-017310MAY 53-013810MAY 53-188411MAY 53-013912MAY 53-014313MAY 25-774113WP338906 Whirlpool Dryer Gas Sensor13MAY 25-213413WP90767 Whirlpool Screw14MAY 63-625915MAY 53-016915LA-1053 Whirlpool Dryer Thermal Fuse15WP63-6766 Whirlpool LP Conversion Kit16MAY 25-016816MAY 25-303216WP53-1096 Whirlpool Thermostat