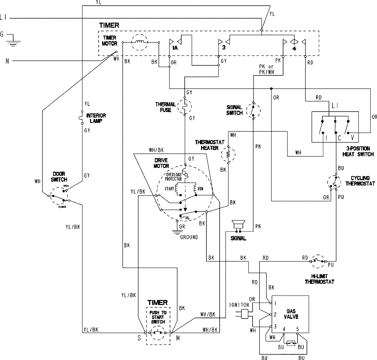
ADG7005AWW 06 – WIRING INFORMATION

ADG7005AWW 06 – WIRING INFORMATION

Products

PositionProduct
NIMAY 15003795