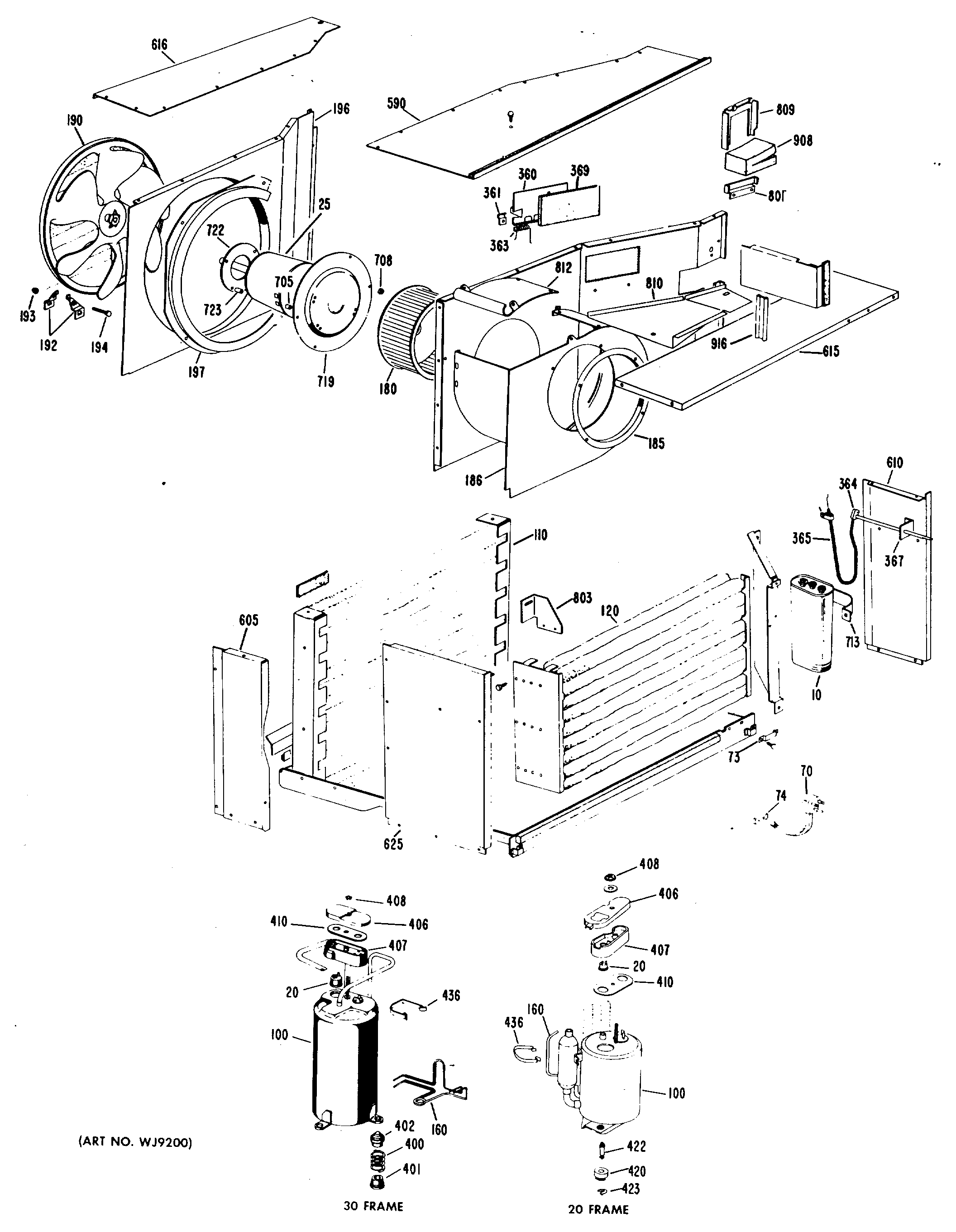
ADH18D1G3 1admin2025-04-26T08:37:15+00:00ADH18D1G3 1 ProductsPositionProduct32767GEN WJ94X051332767ADD CAPACITOR IF REQD32767GEN WJ88X0083