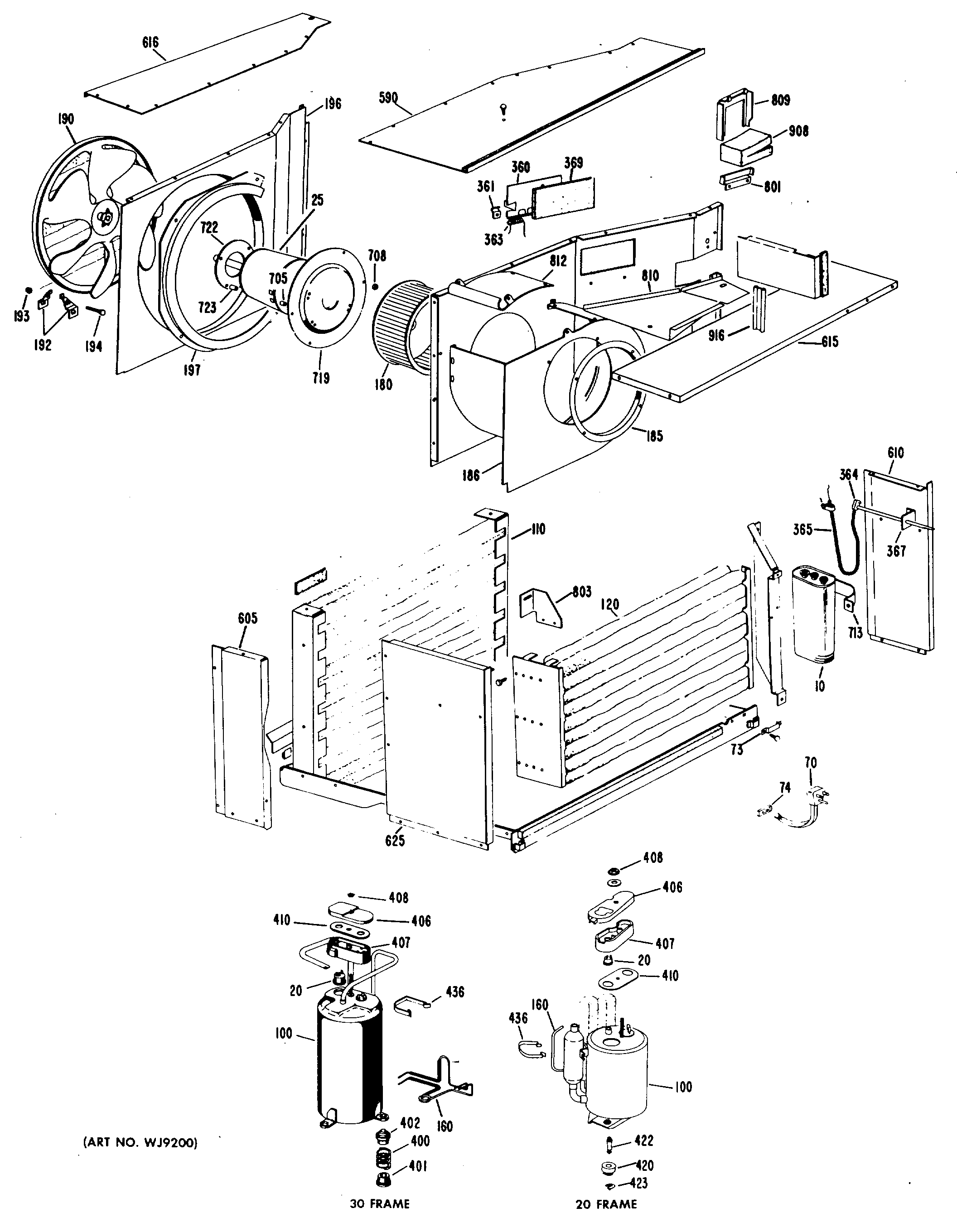
ADR18DAG3 1admin2025-04-26T08:37:21+00:00ADR18DAG3 1 ProductsPositionProduct10GEN WJ20X042320GEN WJ23X009625ADD CAPACITOR IF REQD25GEN WJ94X051370GEN WJ35X009973CLAMP POWER CORD74GEN WJ01X0361100GEN WJ98X0505110GEN WJ88X0083120GEN WJ87X0200160CAPILLARY .054 CUT TO 16160CAPILLARY .036 CUT TO 14160CAPILLARY .042 CUT TO 15180GEN WJ74X0058185GEN WJ16X0221186GEN WJ76X0241190GEN WJ73X0043192GEN WJ03X0215193FAN NUT194FAN SCREW196GEN WJ76X0236197BAFFLE360GEN WJ70X0166360GEN WJ70X0283361DAMPER DOOR HINGE CLAMP363GEN WJ02X0397364GEN WJ14X0097365GEN WJ14X0095400GEN WJ02X0257400GEN WJ02X0259400GEN WJ02X0258401GEN WJ01X0348402GEN WJ01X0347406GEN WJ79X0302407GEN WJ79X0301408GEN WJ01X0292410GEN WJ43X0333436ACCUMULATOR CLAMP590COVER ASM610GEN WJ81X0064615GEN WJ79X0347616GEN WJ79X0285625GEN WJ82X0064708GEN WJ01X0445713GEN WJ03X0230722GEN WJ66X0197723GEN WJ01X0417801PLATE809TUBE SEAL CLAMP810COVER EVAPORATOR812GEN WJ76X0217916SPACER