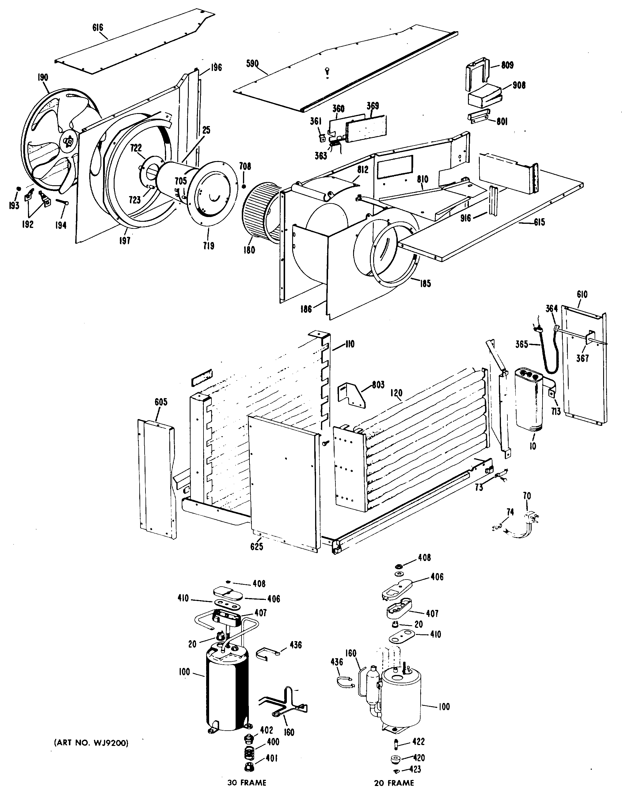
ADR24DCX1 1admin2025-04-26T08:37:09+00:00ADR24DCX1 1 ProductsPositionProduct10CAPACITOR FAN10CAPACITOR, FAN/RUN25GEN WJ94X052070GEN WJ35X009973CLAMP POWER CORD74GEN WJ01X0361100GEN WJ98X0480110GEN WJ88X0175120GEN WJ87X0209180BLOWER INDOOR185GEN WJ16X0221186GEN WJ76X0241190GEN WJ73X0043192GEN WJ03X0215193FAN NUT194FAN SCREW196GEN WJ76X0236197GEN WJ70X0126360GEN WJ70X0166360GEN WJ70X0283361DAMPER DOOR HINGE CLAMP363GEN WJ02X0397364GEN WJ14X0097365GEN WJ14X0095401GEN WJ01X0519402GEN WJ01X0518407GEN WJ79X0327410GEN WJ43X0352590COVER ASM610GEN WJ81X0064615GEN WJ79X0347616GEN WJ79X0285625GEN WJ82X0064708GEN WJ01X0445713GEN WJ03X0230713GEN WJ03X0287722GEN WJ66X0197723GEN WJ01X0417801PLATE809TUBE SEAL CLAMP810COVER EVAPORATOR812GEN WJ76X0217916SPACER