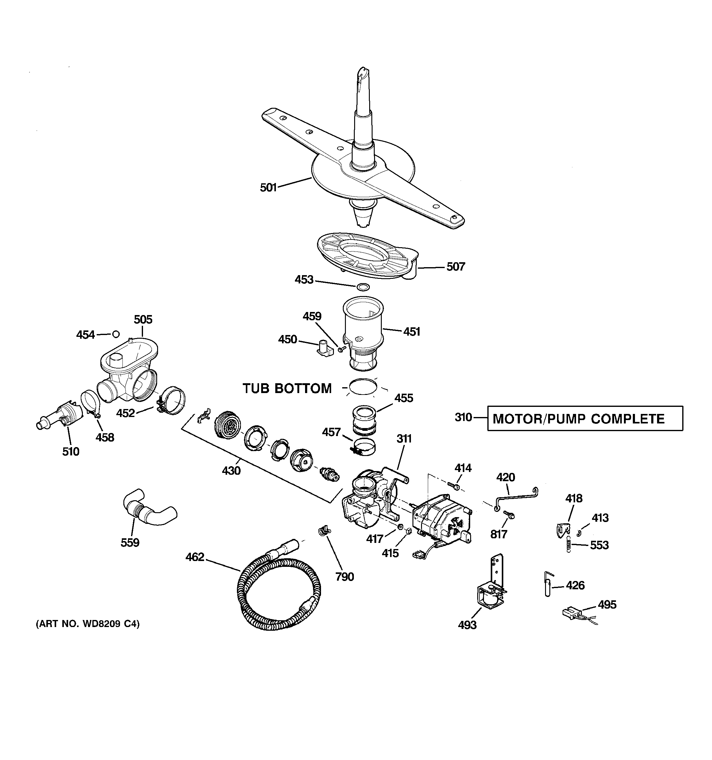
ADW1100N00BB MOTOR-PUMP MECHANISMadmin2025-04-26T08:37:36+00:00ADW1100N00BB MOTOR-PUMP MECHANISM ProductsPositionProduct310WD26X10051 GE Dishwasher Drain Pump and Motor Assembly311WD19X10020 GE Dishwasher Pump Housing413WD3X487D GE Dishwasher Retainer Package414WD2X444 GE Dishwasher Mechanical Screw415WR2X7054 GE Refrigerator Push-On Nut417WD8X181 GE Dishwasher Pump Gasket418WD01X22721 GE Dishwasher Arm Valve420GEN WD01X1482426ARMATURE&LNK430WD19X10039 GE Dishwasher Impeller Assembly Kit450WD01X10342 GE Dishwasher Coupler451WD12X10244 GE Lower Spray Arm Supoort Base452WD1X1392 GE Dishwasher Sump Clamp453WD01X10340 GE Dishwasher Bearing454WD12X10408 GE Range Filter Cartridge455WD18X214 GE Dishwasher Pump to Wash Arm Rubber Connector457WD1X1376 GE Dishwasher Clamp458WD01X10341 GE Dishwasher Clamp459WD02X10067 GE Dishwasher Stainless Steel Screw 8-16 HXW462WD24X10014 GE Dishwasher Drain Hose493BRACKET & SOLENOID495WD21X10356 GE Dishwasher Housing SPECIAL-Drain Solen501WD22X10055 GE Dishwasher Spray Arm Weld505WD18X10039 GE Dishwasher Sump Inlet507GEN WD12X10243510GEN WD12X10245553WD3X721 GE Dishwasher Spring Set559WD24X10041 GE Dishwasher Pump Hose790WD01X10065 GE Dishwasher Hose Clamp790WH1X2036 GE UNIX Clamp817WD02X10141 GE Dishwasher Screw 10-32 TT Hex817WD1X550 GE Dishwasher Screw