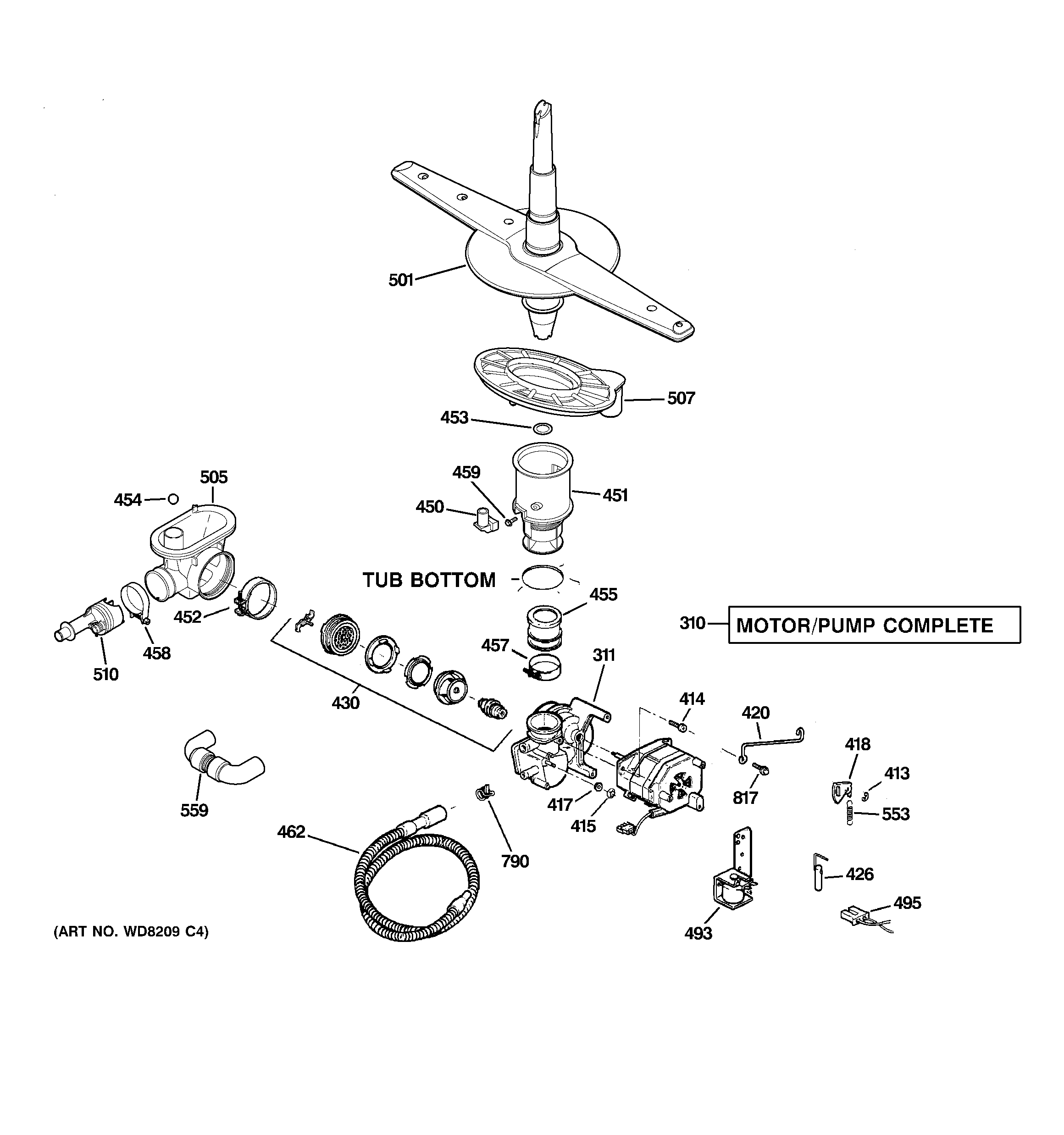
ADW1100N15BB MOTOR-PUMP MECHANISM