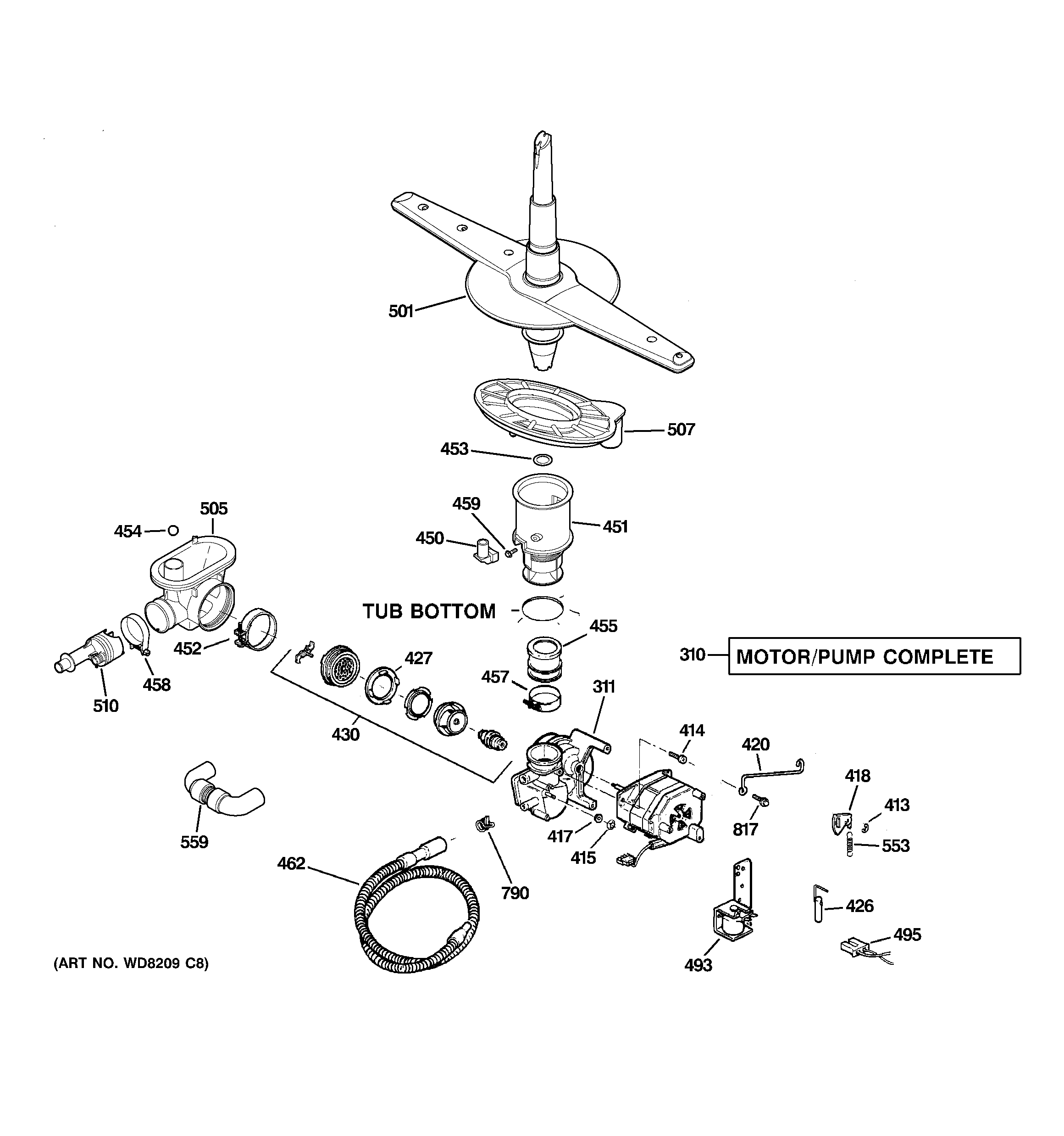
ADW1100N35BB MOTOR-PUMP MECHANISM