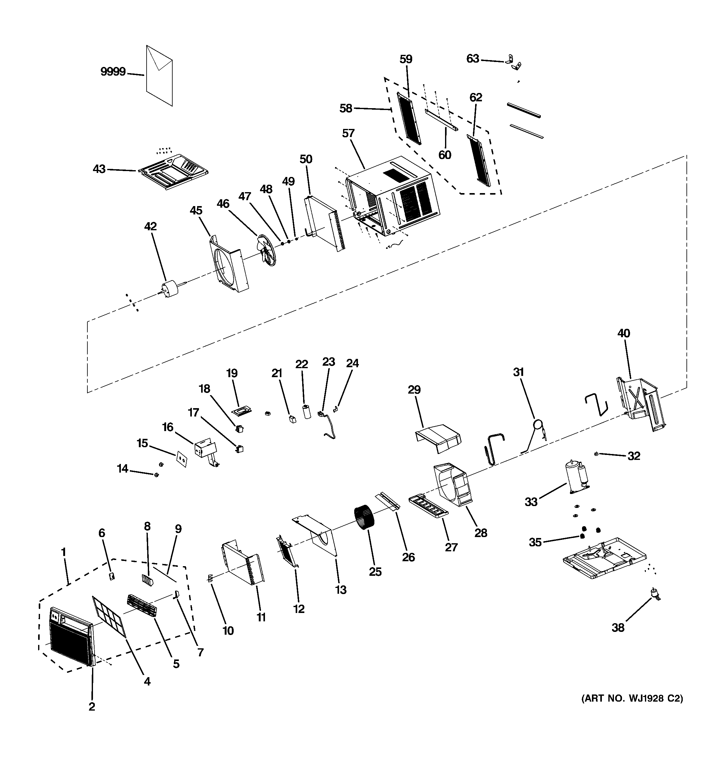
AEE08AMM1 ROOM AIR CONDITIONERadmin2025-04-26T08:38:01+00:00AEE08AMM1 ROOM AIR CONDITIONER ProductsPositionProduct1GEN WJ71X105692GEN WJ71X105704WJ71X10571 GE Air Conditioner Filter5GEN WJ71X105726SUPPORT OF LOUVER7WJ71X10573 GE Air Conditioner Swing Louver8GEN WJ71X105749WJ14X10079 GE Air Conditioner Guide Lever10WJ03X10067 GE Sensor Holder11GEN WJ87X1020312GEN WJ70X1005613WJ76X10254 GE Dishwasher Front Insulation Plate14GEN WJ12X1009415GEN WJ07X1022516GEN WJ26X1027717GEN WJ28X1005218GEN WJ26X1027819WJ26X10279 GE Electric Box Cover21WJ20X10146 GE Compressor Capacitor22GEN WJ20X1014723WJ35X10136 GE Air Conditioner Power Cord (LCDI)24WJ02X10032 GE Clamp Capacitor25GEN WJ73X1016726WJ70X10057 GE Shield27WJ70X10058 GE Drain Pan28WJ76X10255 GE Lower Snail Shell29GEN WJ76X1025631GEN WJ53X1016132GEN WJ23X1010233GEN WJ98X1022135GEN WJ01X1031138GEN WJ58X1002740WJ45X10031 GE Middle Insulation Plate42GEN WJ95X1001543WJ11X10023 GE Connecting Plate Top45GEN WJ76X1025746WJ73X20314 GE Air Conditioner Axial Flow Fan47WJ01X10312 GE Air Conditioner Washer48WJ01X10313 GE Washer Air Conditioner49WJ01X10314 GE Air Conditioner Nut with Washer50GEN WJ88X1018057GEN WJ90X1010859WJ71X10575 GE Air Conditioner Flex Mounted Frame60GEN WJ66X1007463WJ66X10098 GE Window Locking Bracket9999GEN 49-76119999GEN 31-61509