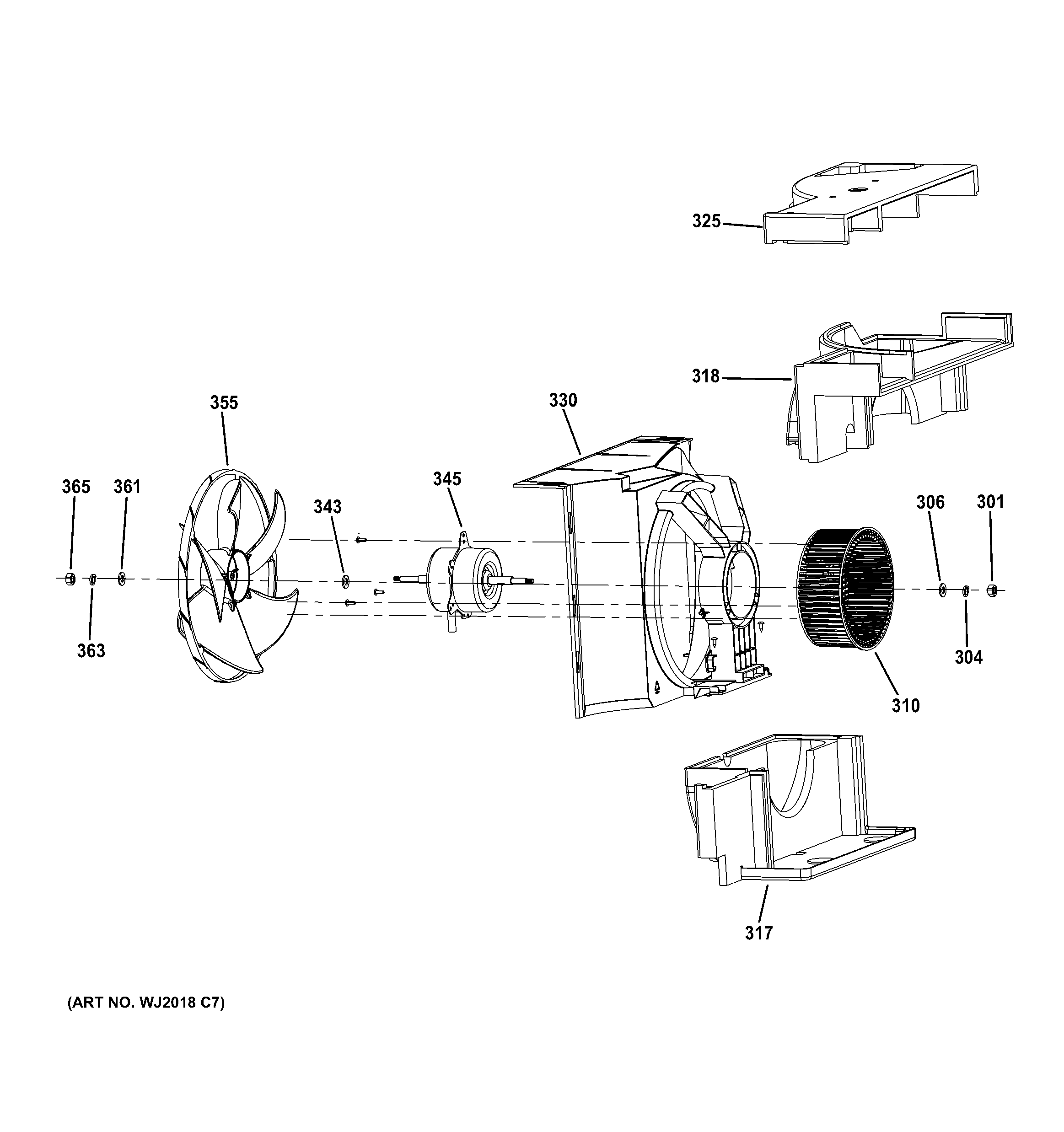
| 301 | WJ01X10344 GE Nut (M5) |
| 304 | WJ03X10074 GE Washer Spring (5 mm Diameter) |
| 306 | GEN WJ01X10345 |
| 310 | FAN, CENTRIFUGAL |
| 317 | WJ76X10314 GE Lower Propeller Housing |
| 318 | WJ76X10315 GE Propeller Housing |
| 325 | GEN WJ79X10252 |
| 330 | WJ01X10346 GE Motor Support |
| 343 | WJ43X10072 GE Gasket (8 mm Diameter) |
| 345 | GEN WJ94X10337 |
| 355 | FAN, AXIAL FLOW |
| 361 | WJ01X10347 GE Washer (6mm) |
| 363 | WJ01X10313 GE Washer Air Conditioner |
| 365 | WJ01X10314 GE Air Conditioner Nut with Washer |