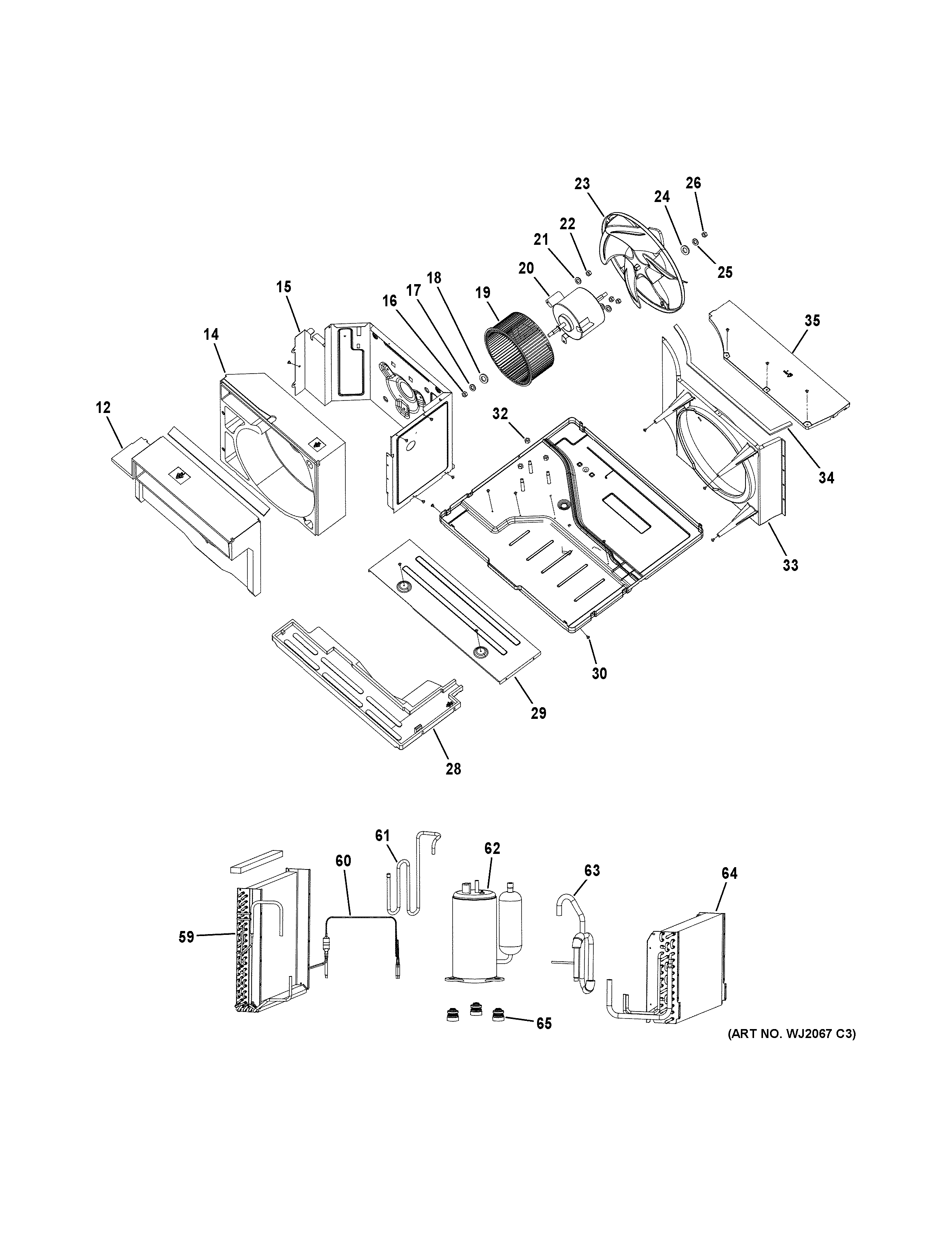
AEQ24DQL1 BASE PAN & UNIT PARTSadmin2025-04-26T08:49:43+00:00AEQ24DQL1 BASE PAN & UNIT PARTS ProductsPositionProduct12WJ76X10305 GE Foam Air Outlet14WJ76X10310 GE Propeller Housing15WJ82X10068 GE Motor Support16WJ01X10265 GE Washer Nut17WJ01X10266 GE Washer Assembly18WJ43X10075 GE Gasket (Diameter 10mm)19WJ73X10204 GE Centrifugal Fan20WJ95X10036 GE Air Conditioner Fan Motor21WJ01X10373 GE Air Conditioner Spring Washer (Diameter 6mm)22WJ01X10329 GE Air Conditioner Nut23WJ73X10190 GE Air Conditioner Axial Flow Fan24WJ43X10076 GE Gasket Diameter 8mm25WJ43X10077 GE Gasket (Diameter 8mm)26WJ01X10374 GE Levo Nut (M8)28WJ05X10064 GE Water Tray29WJ79X10244 GE Top Plate30SELF-TAPPING SCREW32WJ01X10335 GE Washer Nut M833WJ79X10245 GE Condenser Cover34WJ66X10094 GE Sponge Rear Clapboard35WJ79X10246 GE Top Plate59CONDENSER ASM60WJ53X10246 GE Assembly Capillary61DISCHARGE PIPE62WJ98X10306 GE Air Conditioner A/C Compressor Assembly63TUBE, SUCTION64WJ88X10247 GE Evaporator Assembly65RUBBER GROMMET