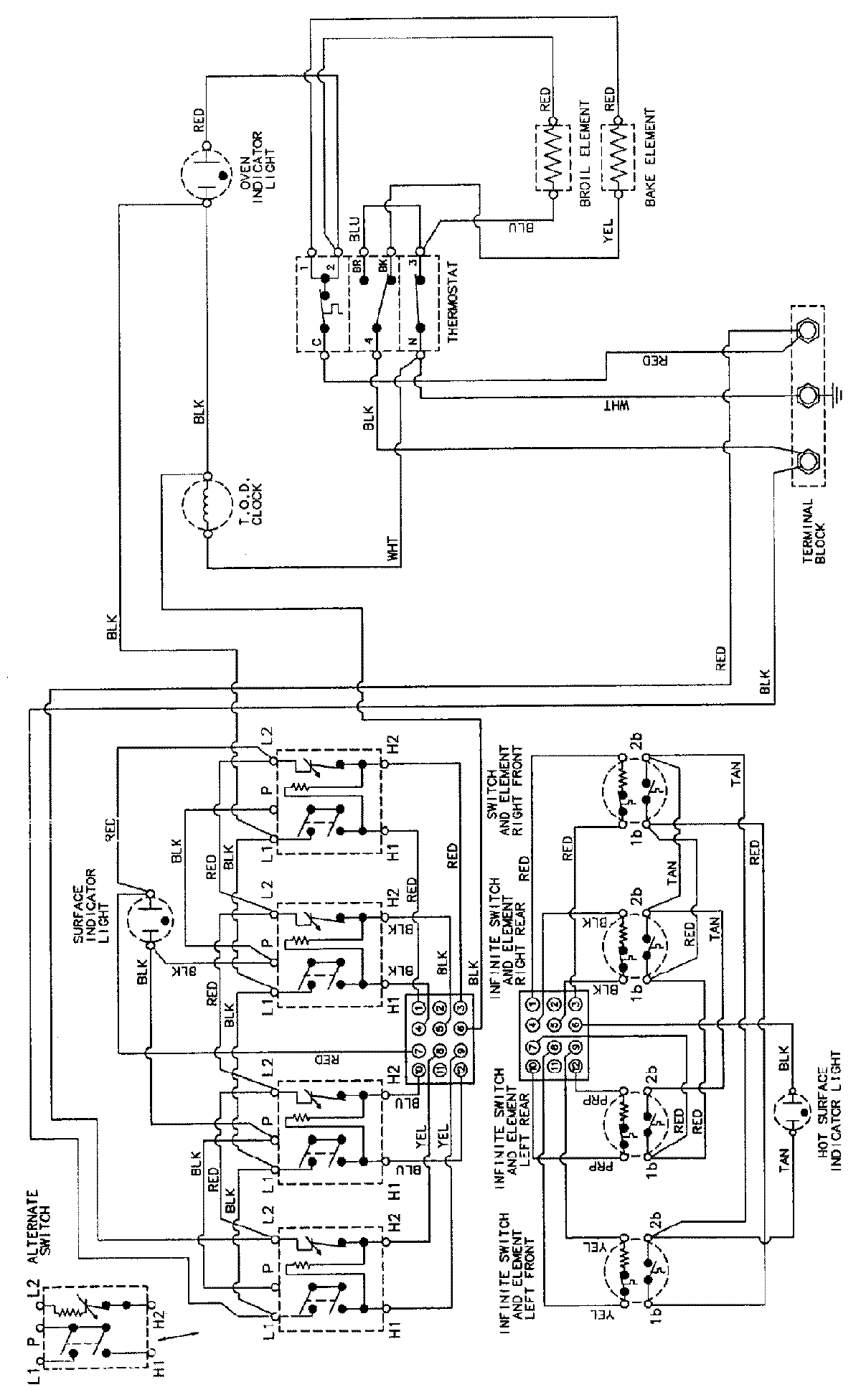
AER1450AAH 06 – WIRING INFORMATIONadmin2025-04-26T08:56:20+00:00AER1450AAH 06 – WIRING INFORMATION ProductsPositionProductNIMAY 15002423