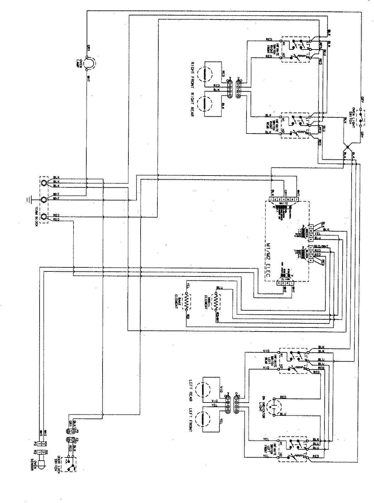
AER5511AAQ 07 – WIRING INFORMATION

AER5511AAQ 07 – WIRING INFORMATION

Products

PositionProduct
NIMAY 15003494