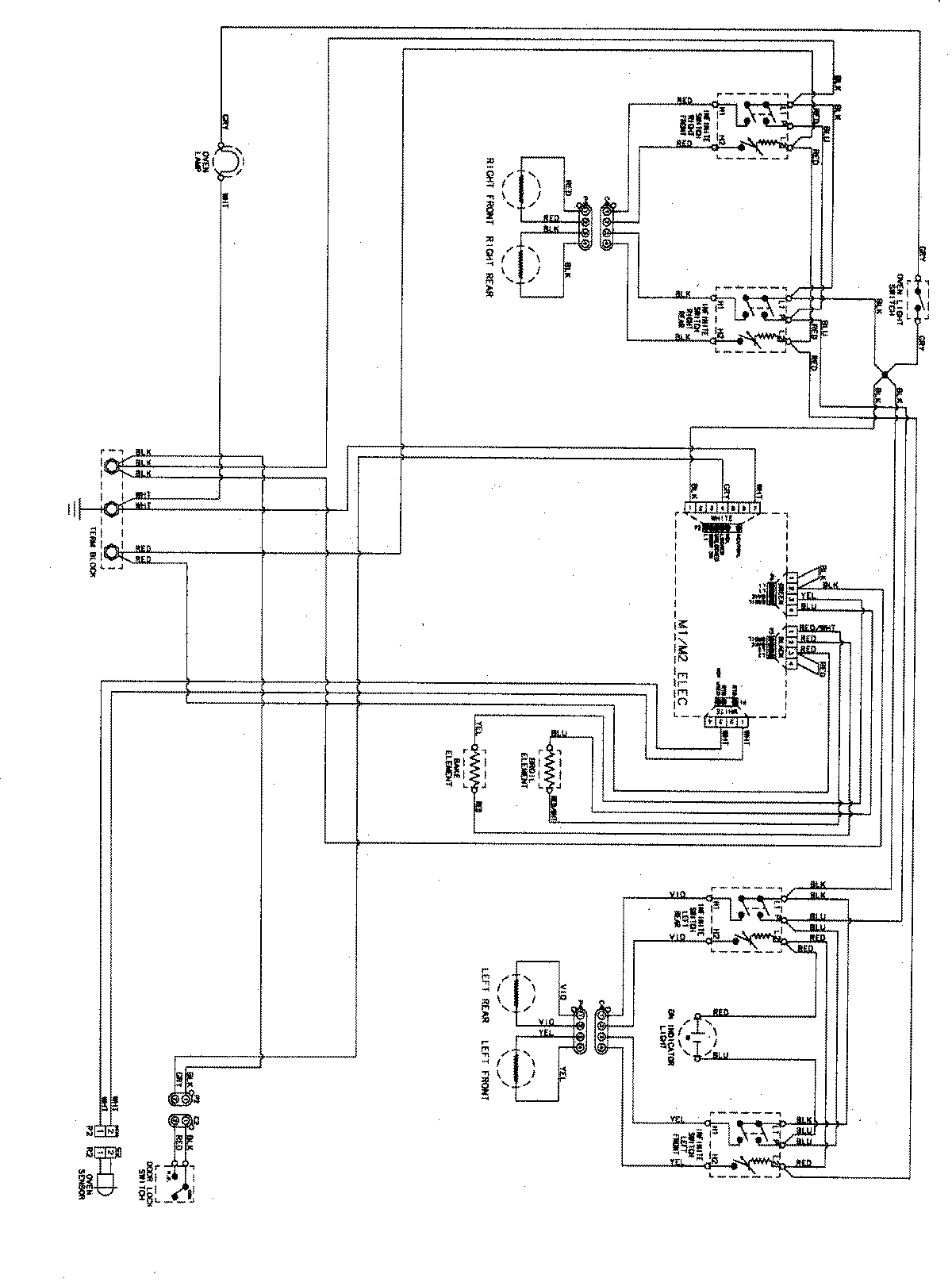
AER5511BAQ 06 – WIRING INFORMATIONadmin2025-04-26T08:56:23+00:00AER5511BAQ 06 – WIRING INFORMATION ProductsPositionProductNIMAY 15003494