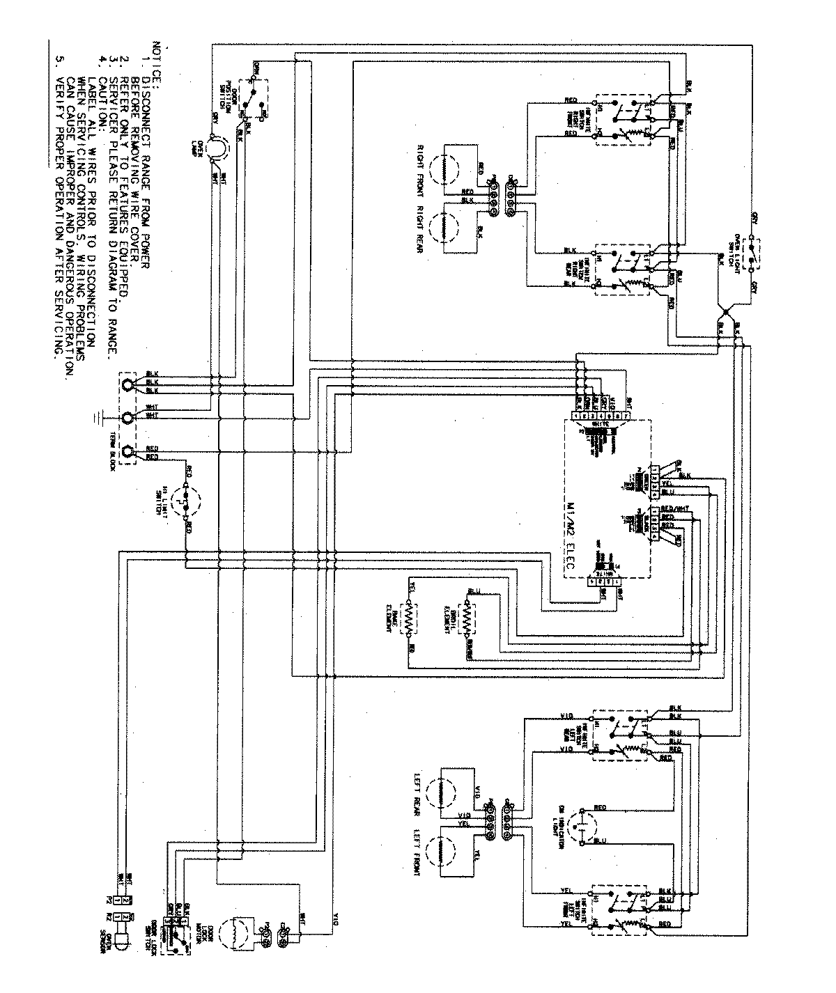
AER5515QAW 06 – WIRING INFORMATIONadmin2025-04-26T08:56:33+00:00AER5515QAW 06 – WIRING INFORMATION ProductsPositionProductNIMAY 15003311