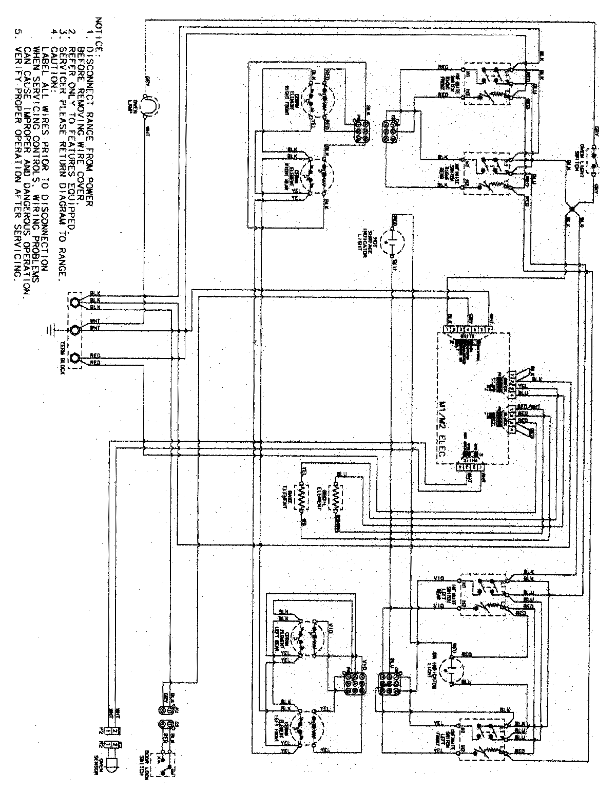
AER5712AAS 06 – WIRING INFORMATION

AER5712AAS 06 – WIRING INFORMATION

Products

PositionProduct
NIMAY 15003512