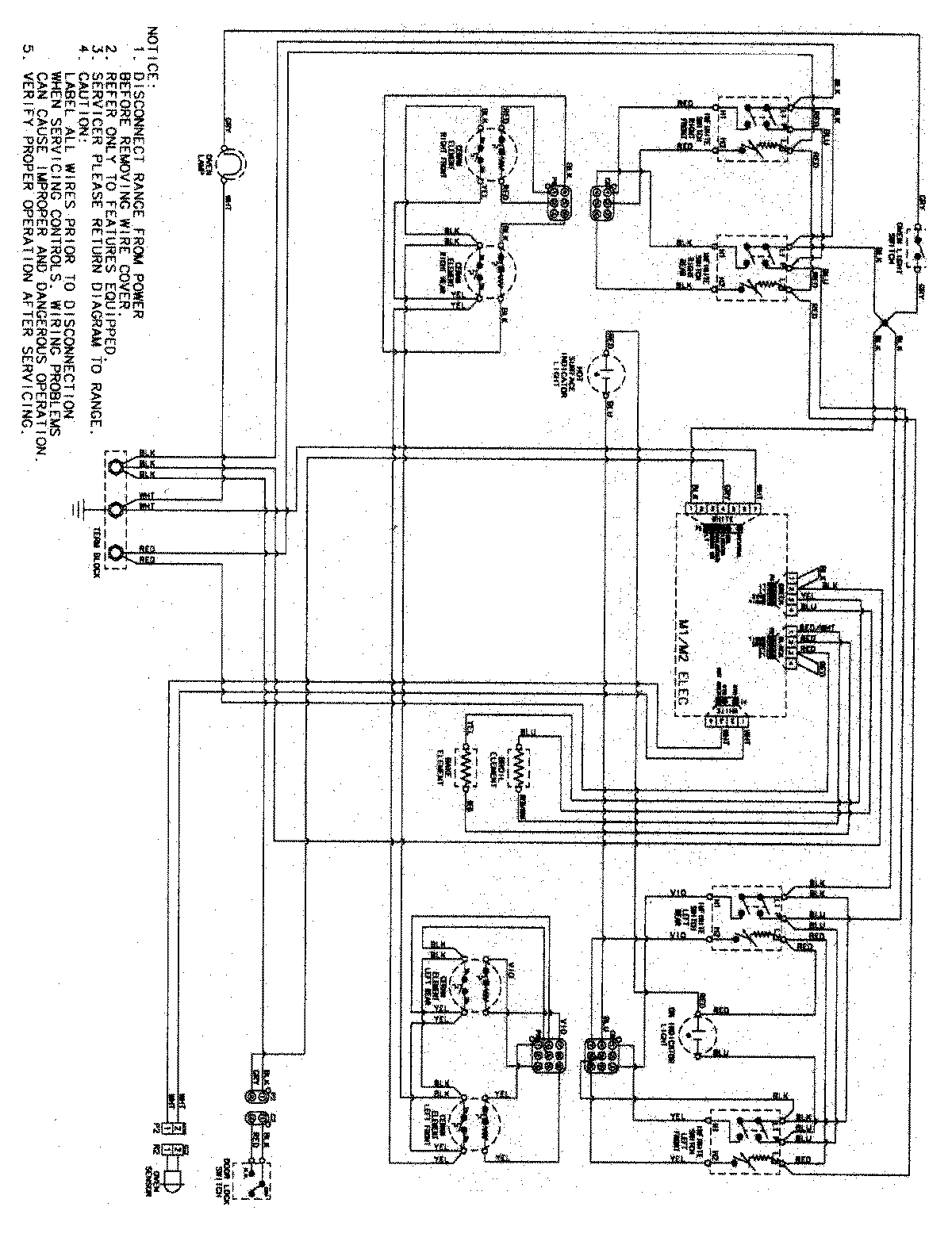
AER5712AAW 06 – WIRING INFORMATIONadmin2025-04-26T08:55:58+00:00AER5712AAW 06 – WIRING INFORMATION ProductsPositionProductNIMAY 15003512