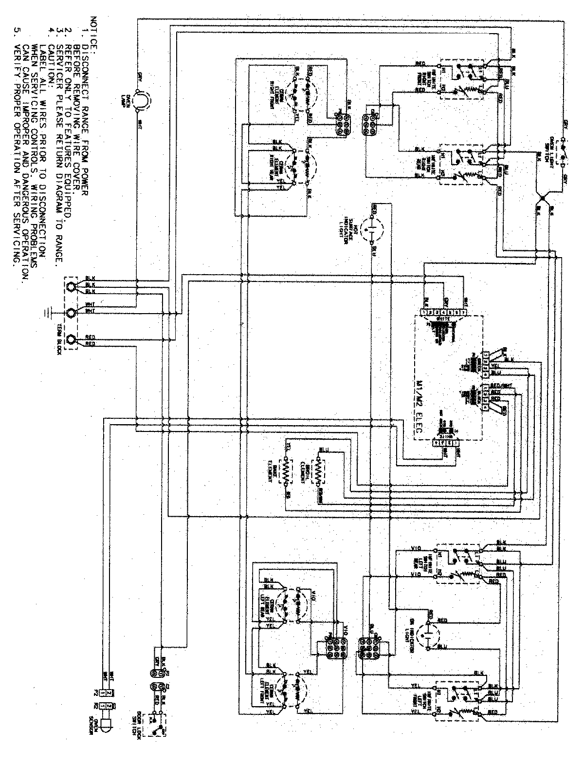
AER5712BAB 06 – WIRING INFORMATIONadmin2025-04-26T08:56:21+00:00AER5712BAB 06 – WIRING INFORMATION ProductsPositionProductNIMAY 15003512