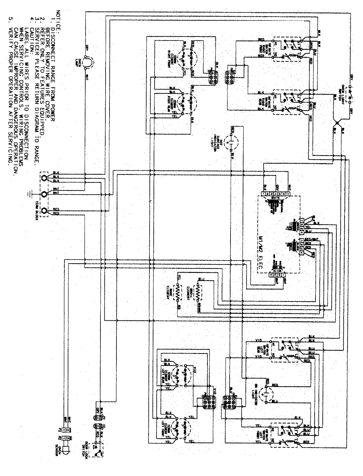
AER5712BAW 06 – WIRING INFORMATIONadmin2025-04-26T08:55:49+00:00AER5712BAW 06 – WIRING INFORMATION ProductsPositionProductNIMAY 15003512