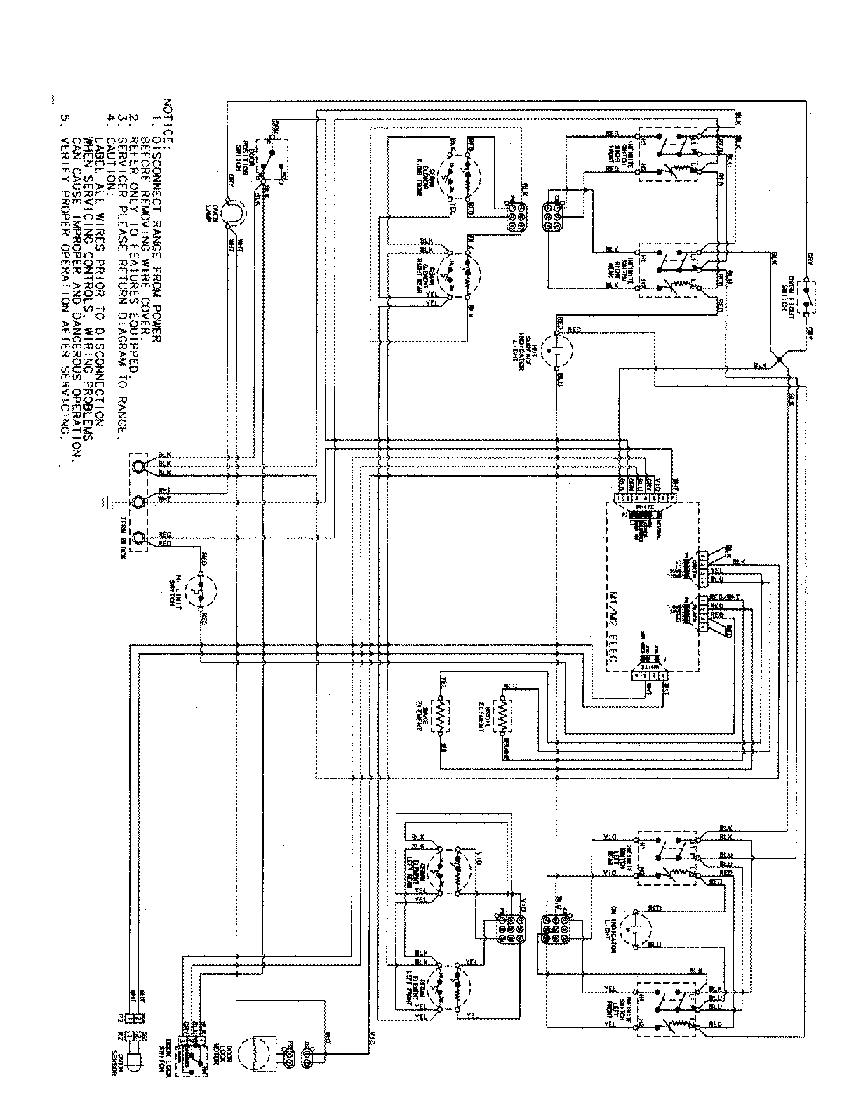
AER5715QAQ 06 – WIRING INFORMATION

AER5715QAQ 06 – WIRING INFORMATION

Products

PositionProduct
NIMAY 15003691