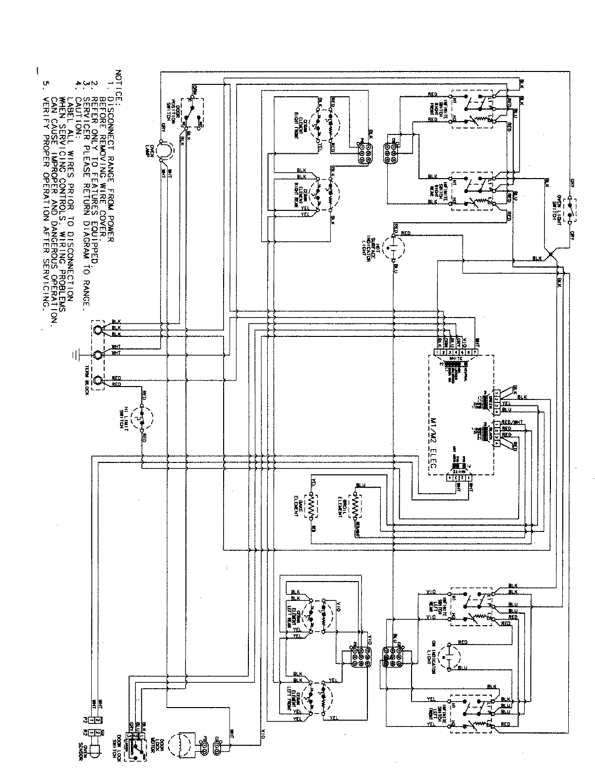
AER5715QAS 06 – WIRING INFORMATIONadmin2025-04-26T08:56:26+00:00AER5715QAS 06 – WIRING INFORMATION ProductsPositionProductNIMAY 15003691