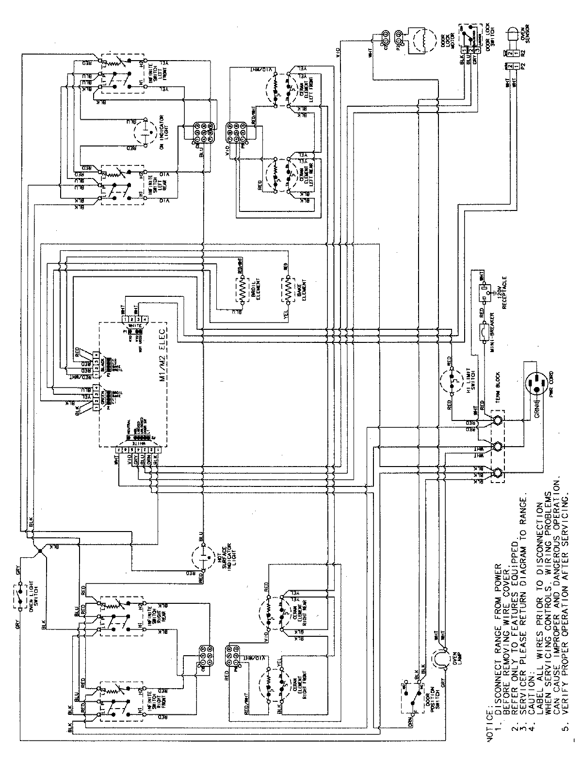
AER5715QCW 06 – WIRING INFORMATION

AER5715QCW 06 – WIRING INFORMATION

Products

PositionProduct
NIMAY 15003370