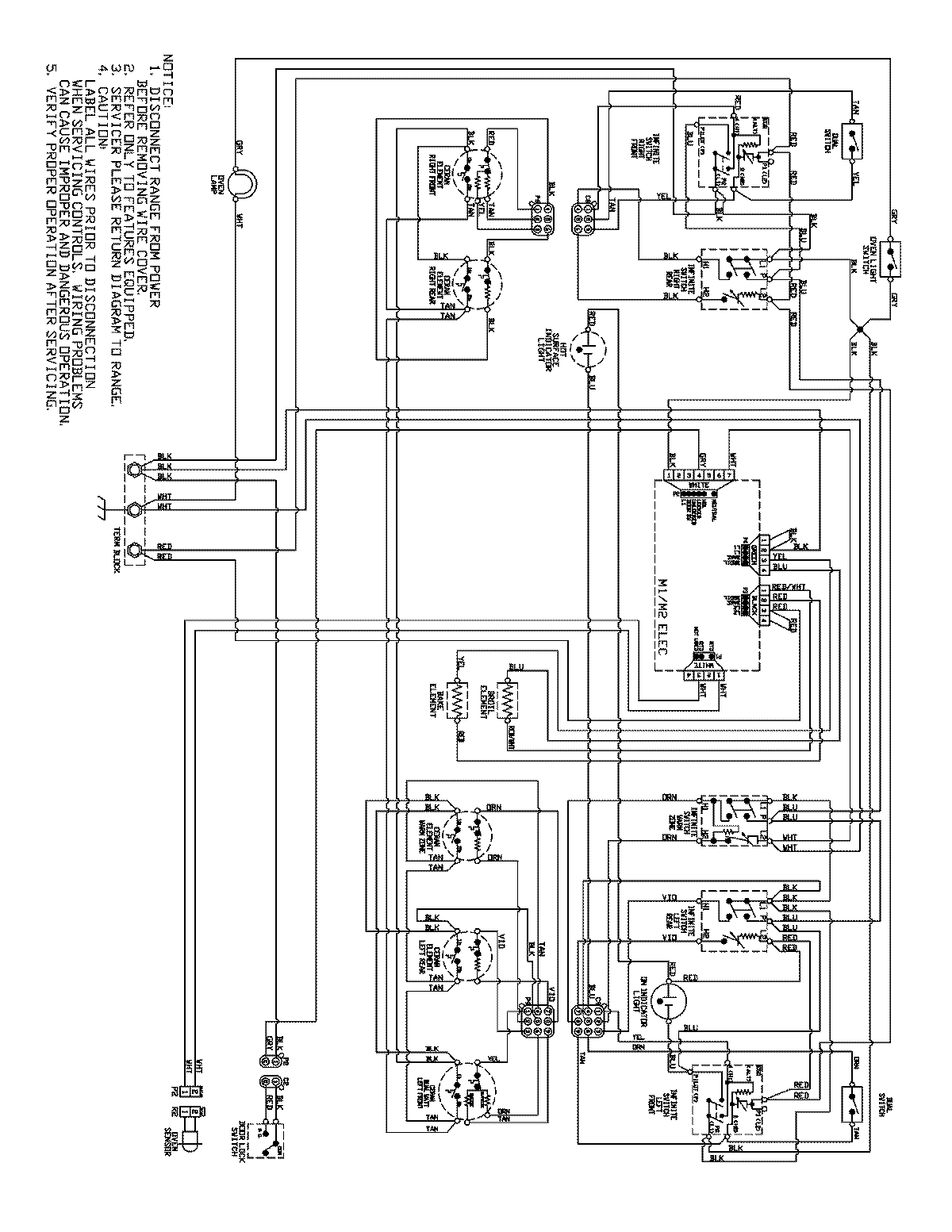
AER5722BAQ 06 – WIRING INFORMATIONadmin2025-04-26T08:56:34+00:00AER5722BAQ 06 – WIRING INFORMATION ProductsPositionProductNIMAY 15003858