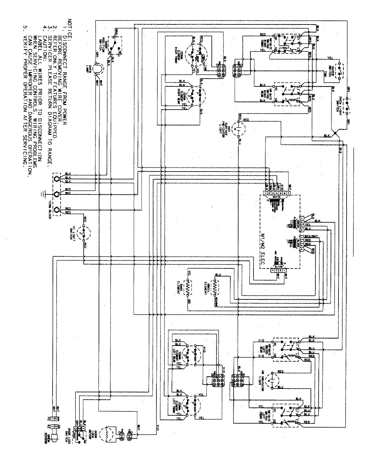
AER5725QAF 06 – WIRING INFORMATIONadmin2025-04-26T08:56:31+00:00AER5725QAF 06 – WIRING INFORMATION ProductsPositionProductNIMAY 15003692