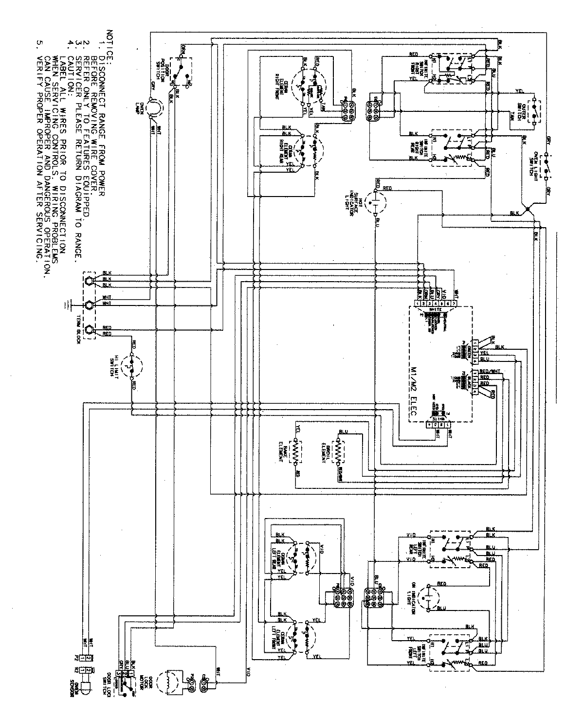
AER5725QAW 06 – WIRING INFORMATIONadmin2025-04-26T08:55:55+00:00AER5725QAW 06 – WIRING INFORMATION ProductsPositionProductNIMAY 15003692