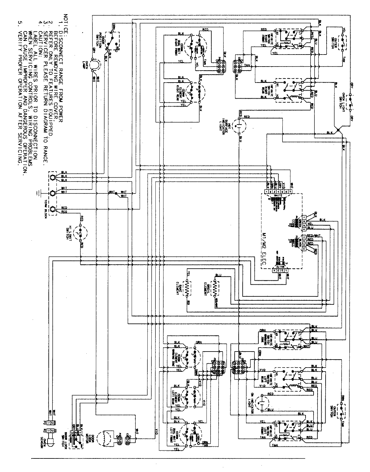
AER5735QAS 06 – WIRING INFORMATIONadmin2025-04-26T08:56:22+00:00AER5735QAS 06 – WIRING INFORMATION ProductsPositionProductNIMAY 15003690