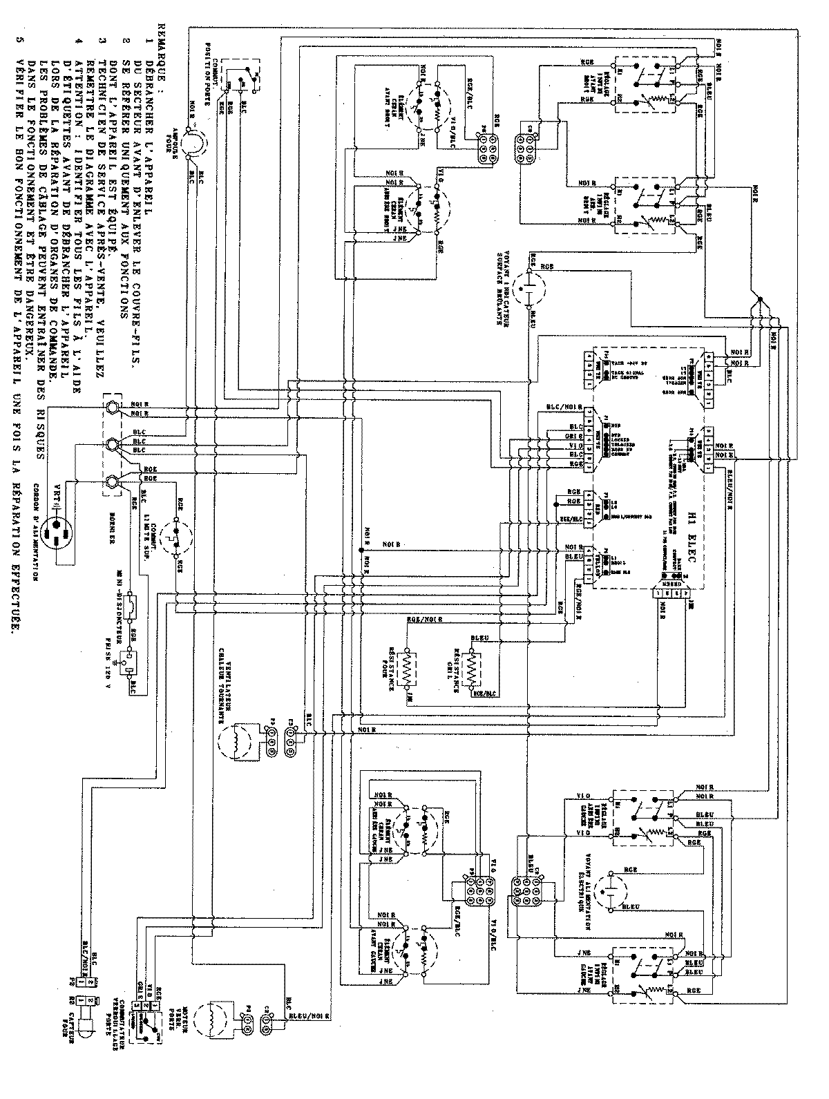
AER5815RCB 07 – WIRING INFORMATIONadmin2025-04-26T08:56:43+00:00AER5815RCB 07 – WIRING INFORMATION ProductsPositionProductNIMAY 15003866