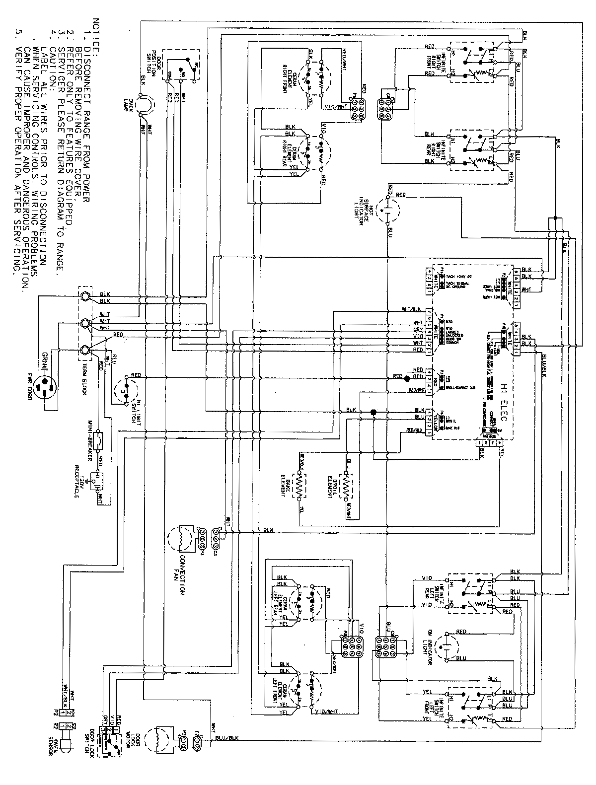
AER5815RCS 06 – WIRING INFORMATIONadmin2025-04-26T08:56:39+00:00AER5815RCS 06 – WIRING INFORMATION ProductsPositionProductNIMAY 15003865