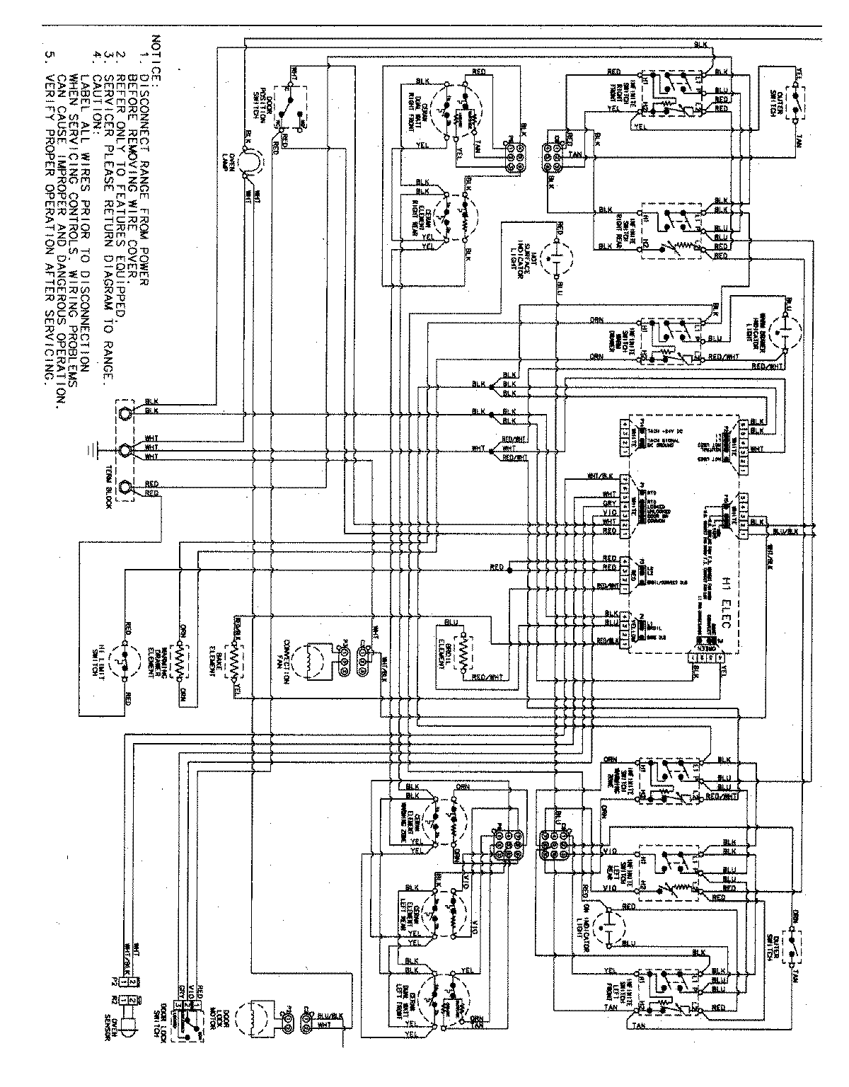
AER5845QAS 06 – WIRING INFORMATIONadmin2025-04-26T08:56:31+00:00AER5845QAS 06 – WIRING INFORMATION ProductsPositionProductNIMAY 15003696