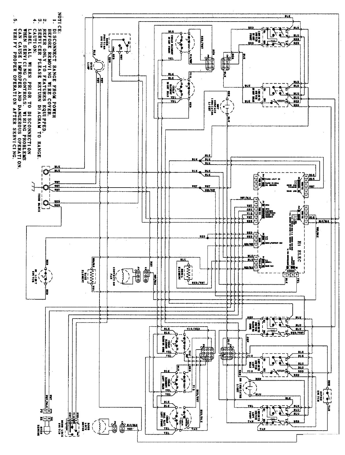
AER5845RAW 06 – WIRING INFORMATIONadmin2025-04-26T08:56:38+00:00AER5845RAW 06 – WIRING INFORMATION ProductsPositionProductNIMAY 15003862