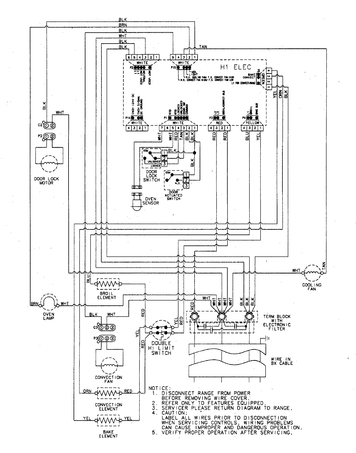
AEW3530DDB 06 – WIRING INFORMATIONadmin2025-04-26T09:21:20+00:00AEW3530DDB 06 – WIRING INFORMATION ProductsPositionProductNIMAY 15003252