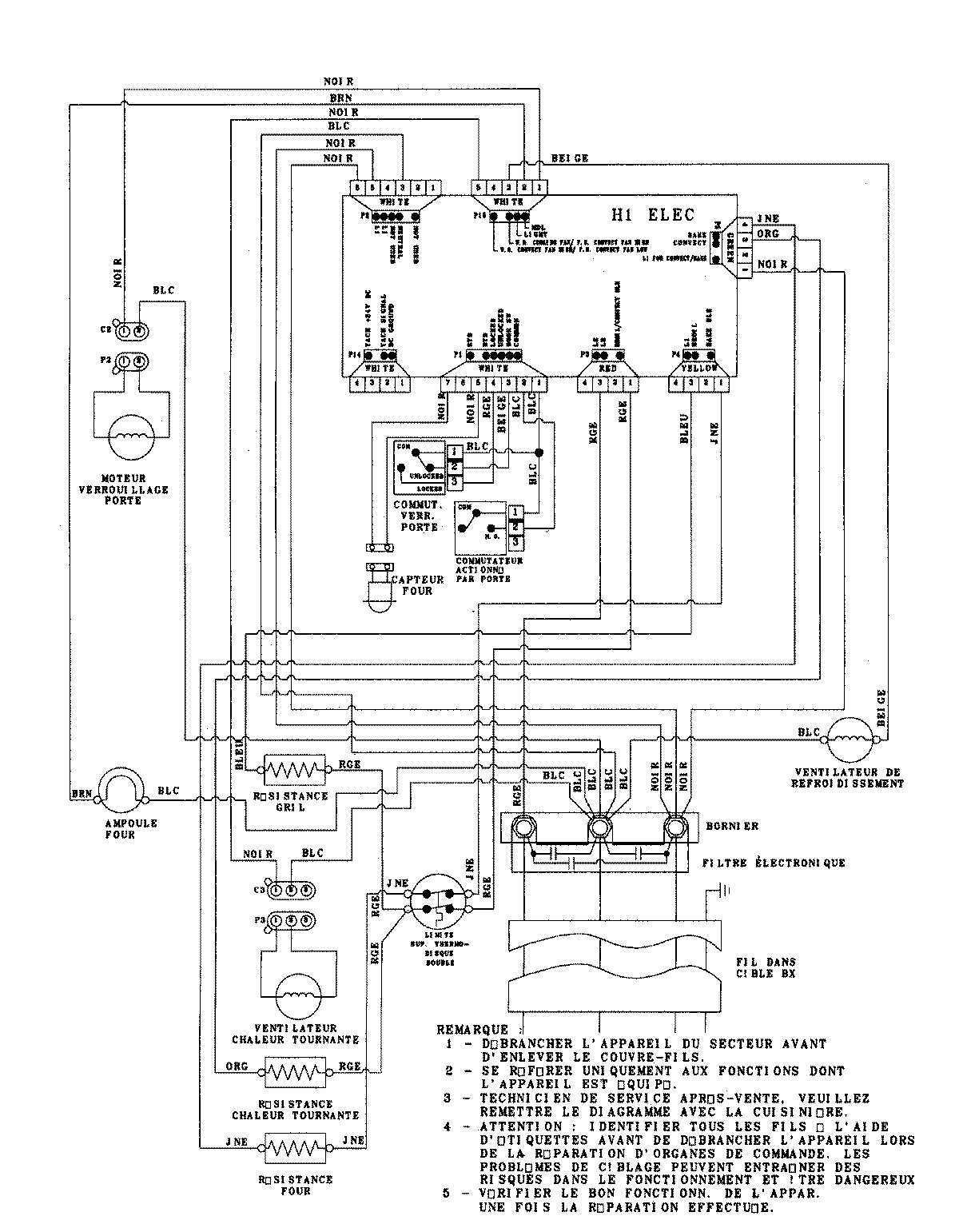
AEW3530DDB 07 – WIRING INFORMATIONadmin2025-04-26T09:19:53+00:00AEW3530DDB 07 – WIRING INFORMATION ProductsPositionProductNIMAY 15003253