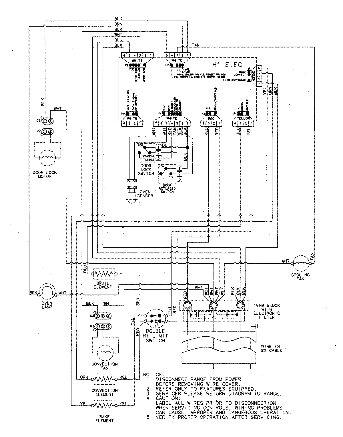
AEW3530DDS 06 – WIRING INFORMATIONadmin2025-04-26T09:19:48+00:00AEW3530DDS 06 – WIRING INFORMATION ProductsPositionProductNIMAY 15003252