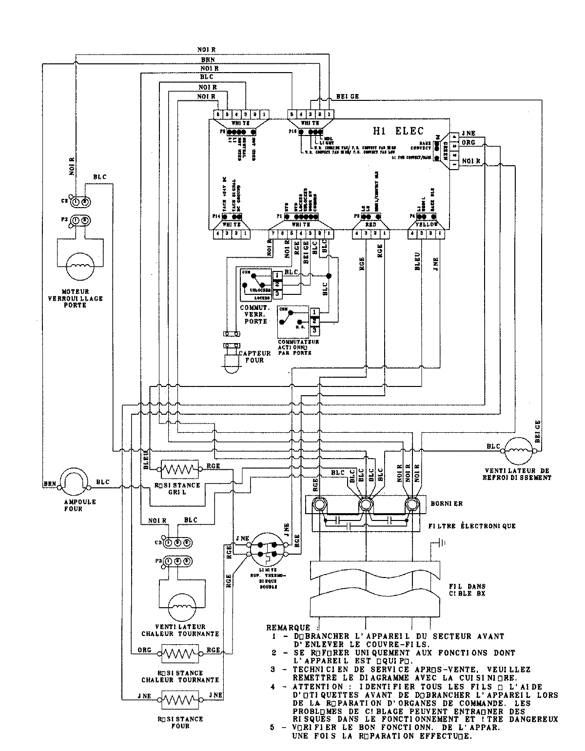
AEW3530DDS 07 – WIRING INFORMATIONadmin2025-04-26T09:21:05+00:00AEW3530DDS 07 – WIRING INFORMATION ProductsPositionProductNIMAY 15003253