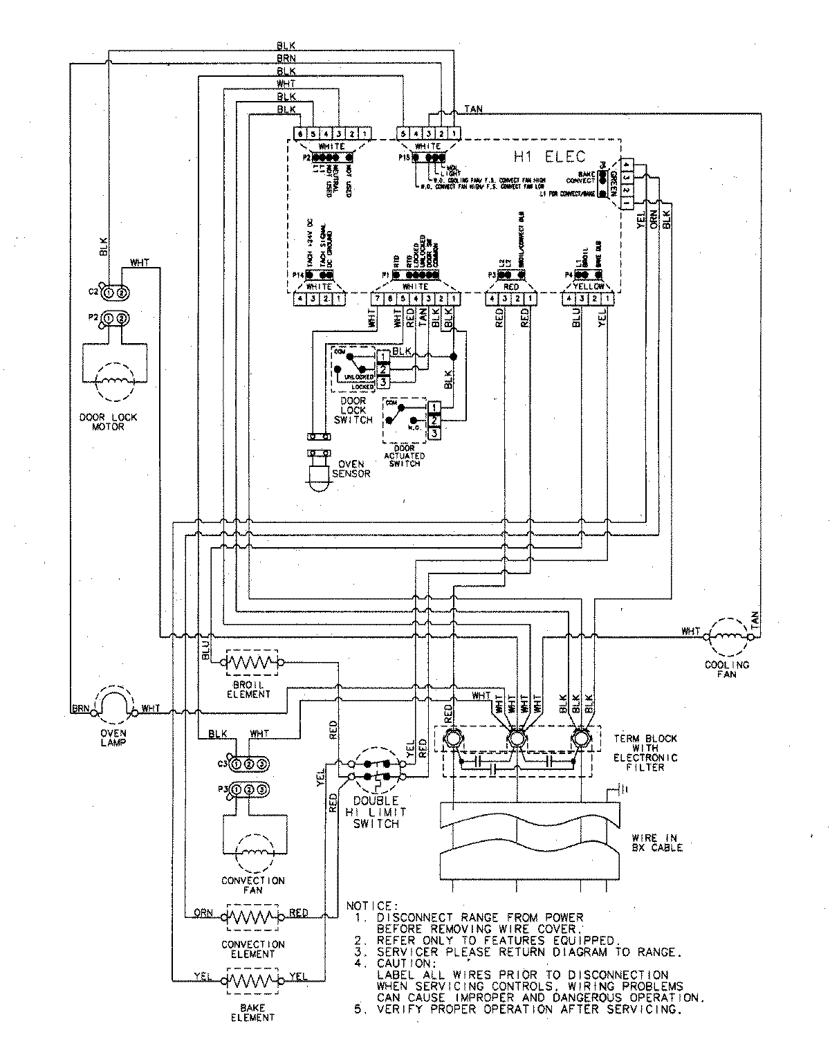
AEW3530DDW 06 – WIRING INFORMATIONadmin2025-04-26T09:21:12+00:00AEW3530DDW 06 – WIRING INFORMATION ProductsPositionProductNIMAY 15003252