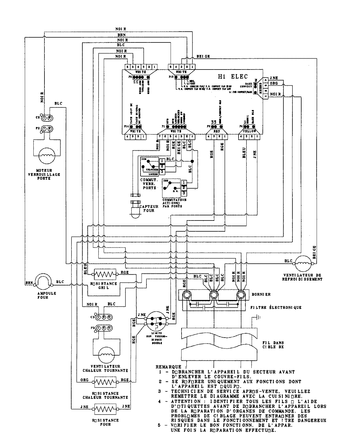
AEW3530DDW 07 – WIRING INFORMATIONadmin2025-04-26T09:21:33+00:00AEW3530DDW 07 – WIRING INFORMATION ProductsPositionProductNIMAY 15003253